Ignition System: Testing and Inspection
ELECTRONIC IGNITION (EI) SYSTEM DIAGNOSIS
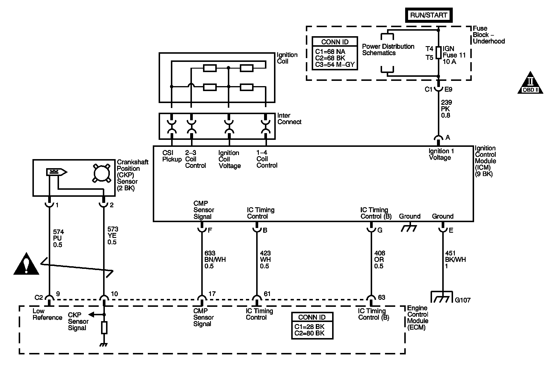
CIRCUIT DESCRIPTION
Each ignition coil supplies secondary voltage to a pair of spark plugs. This is called a waste spark ignition system. The engine control module (ECM) supplies ignition control (IC) signals to the ignition control module (ICM). The ICM fires the correct ignition coil at the correct time based on the IC signals. The ICM detects if cylinder 1 or cylinder 3 is on the compression stroke by sensing the secondary voltage and polarity of each side of the ignition coil. The higher voltage is on the compressing cylinder. The ICM provides a synthesized cam signal to the ECM based on these inputs. This is called compression sense ignition. The ECM uses the cam signals to synchronize fuel injection. This system consists of the following circuits:
- The ignition 1 voltage circuit
- The ground circuit
- The camshaft position (CMP) sensor signal circuit
- The IC timing control B 2/3 circuit
- The IC timing control 1/4 circuit
DIAGNOSTIC AIDS
- The following conditions may cause an engine cranks but won't start symptom:
- Crankshaft reluctor wheel damage or improper installation
- The sensor is coming in contact with the reluctor wheel
- Foreign material passing between the sensor and the reluctor wheel
- If the crankshaft rotates backwards, this symptom may occur. This condition is only with vehicles equipped with a manual transmission. This condition can occur when a vehicle is on an incline and the clutch is released and an engine stall occurs.
- Excess crankshaft endplay will cause the CKP sensor reluctor wheel to move out of alignment with the CKP sensor. This could result in any of the following conditions:
- A no start
- A start and stall
- Erratic performance
- An improperly installed crankshaft could cause excess crankshaft endplay.
- For an intermittent, refer to Intermittent Conditions. Diagnostic Strategies
TEST