LEMON Manuals: Even more car manuals for everyone: 1960-2025
Home >> Saturn >> 2005 >> Relay AWD >> Repair and Diagnosis >> External Pages >> Different car >> Section 193 (Object Detection System) >> Schematic and Routing Diagrams >> Object Detection Schematics
April 5, 2026: LEMON Manuals is launched! Read the announcement.

Object Detection Schematics

WARNING: This page is about a different car, the 2007 Pontiac Montana SV6, 2007 Chevrolet Uplander, and 2007 Buick Terraza. However, it is still accessible from the selected car via links, so may be relevant.
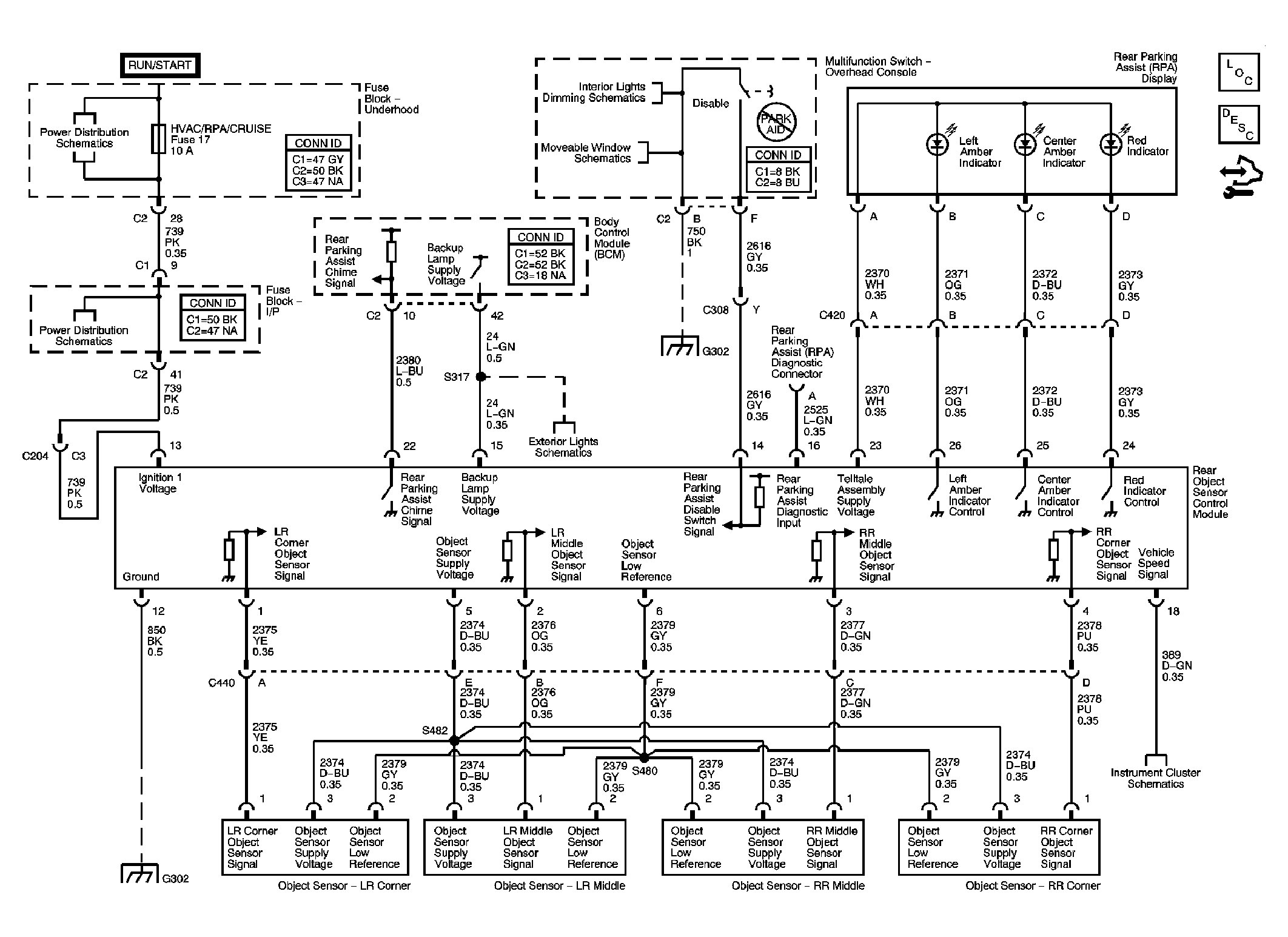
Fig 1: Object Detection Schematic
GM1740123Courtesy of GENERAL MOTORS CORP.