LEMON Manuals: Even more car manuals for everyone: 1960-2025
Home >> Saturn >> 2006 >> Vue Red Line, AWD >> Repair and Diagnosis >> External Pages >> Different car >> Section 1190 (Cellular System, Entertainment System, And Navigation System) >> Schematic Wiring Diagrams >> Radio/Navigation System Wiring Schematics >> Digital Radio Receiver (U2K) Wiring Schematics
April 5, 2026: LEMON Manuals is launched! Read the announcement.

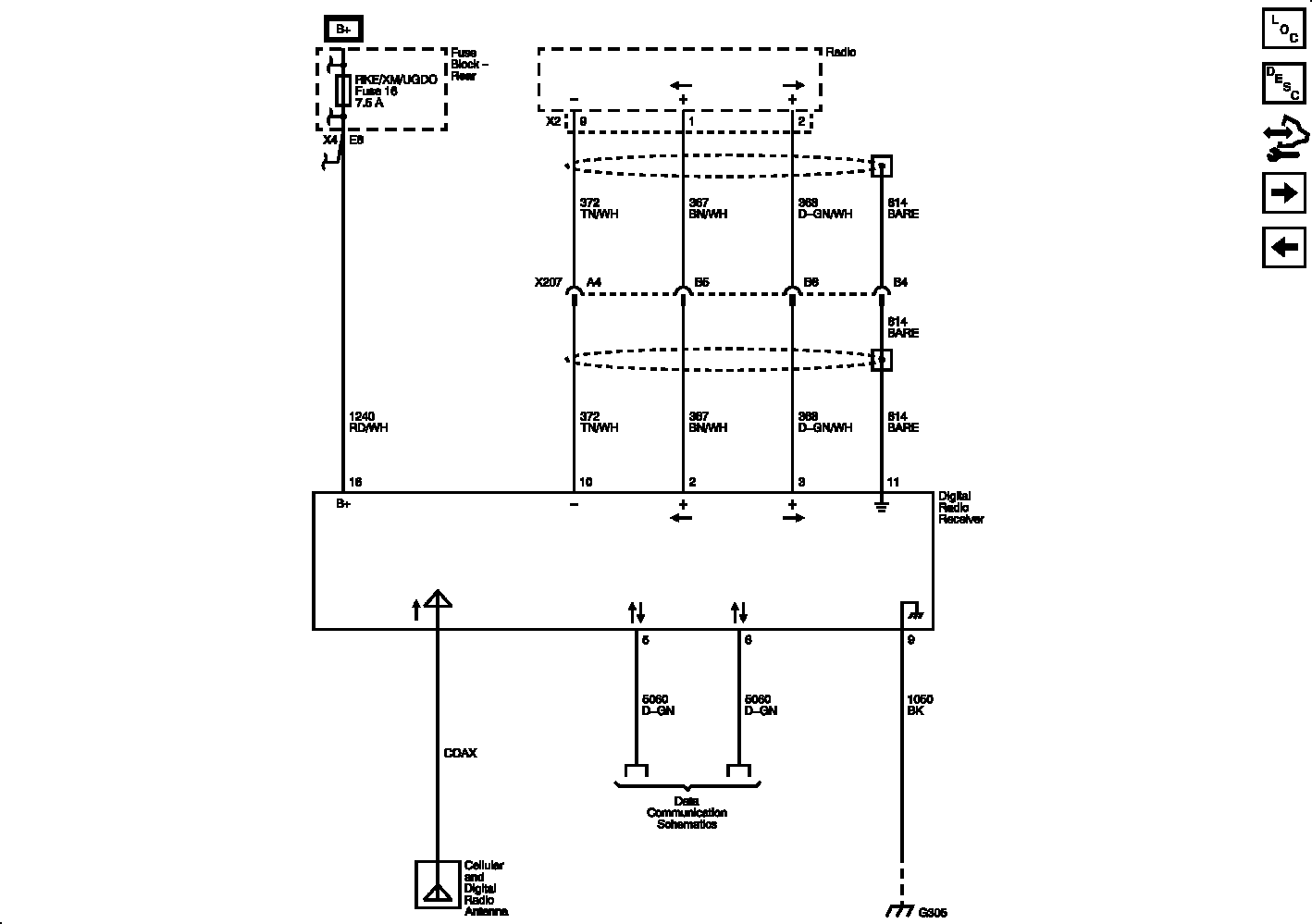
Digital Radio Receiver (U2K) Wiring Schematics

WARNING: This page is about a different car, the 2012 Chevrolet Malibu. However, it is still accessible from the selected car via links, so may be relevant.
Fig 1: Digital Radio Receiver (U2K) Wiring Schematics
GM2582024Courtesy of GENERAL MOTORS COMPANY