LEMON Manuals: Even more car manuals for everyone: 1960-2025
Home >> Saturn >> 2007 >> ION L4-2.2L >> Repair and Diagnosis >> Locations >> Harness Locations >> Pan Components Views
April 5, 2026: LEMON Manuals is launched! Read the announcement.

Pan Components Views




Harness Routing Views

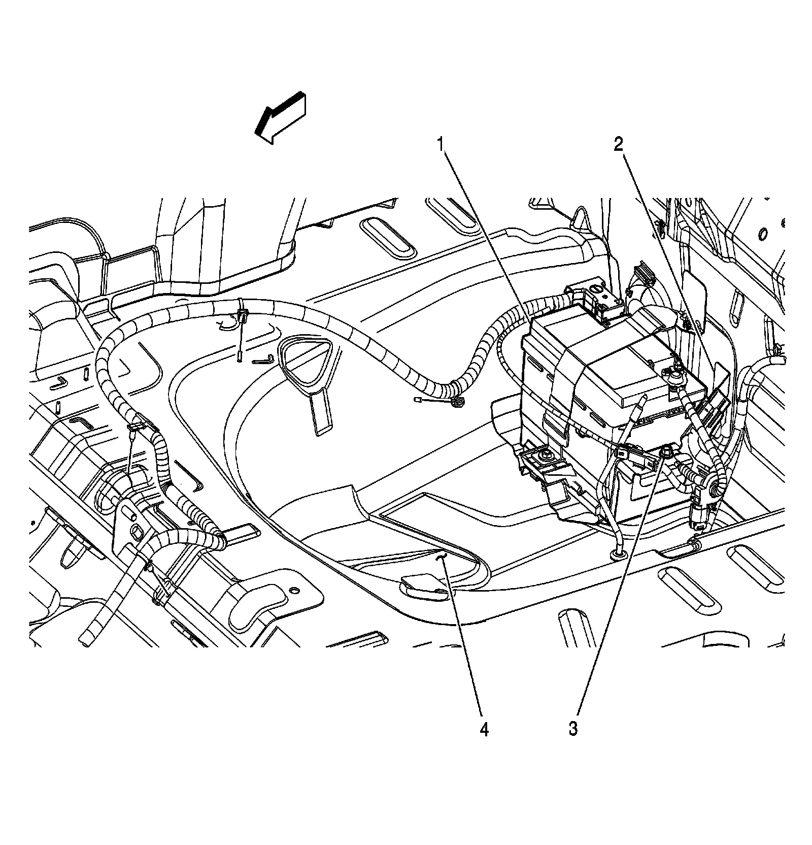
Rear Floor Pan Components and G502




1 - Battery
2 - ECM Inline Fuse (2.2L)
3 - G502
4 - Spare Tire Well