LEMON Manuals: Even more car manuals for everyone: 1960-2025
Home >> Saturn >> 2007 >> Ion Red Line >> Repair and Diagnosis >> External Pages >> Different car >> Section 86 (Computer/Integrating Systems) >> Repair Instructions >> Body Control Module Replacement >> Installation Procedure
April 5, 2026: LEMON Manuals is launched! Read the announcement.

Installation Procedure

WARNING: This page is about a different car, the 2005 Saturn Ion Red Line, 2005 Saturn Ion 3, 2005 Saturn Ion 2, and 2005 Saturn Ion 1. However, it is still accessible from the selected car via links, so may be relevant.
    NOTE: Refer to Fastener Notice in Cautions and Notices.
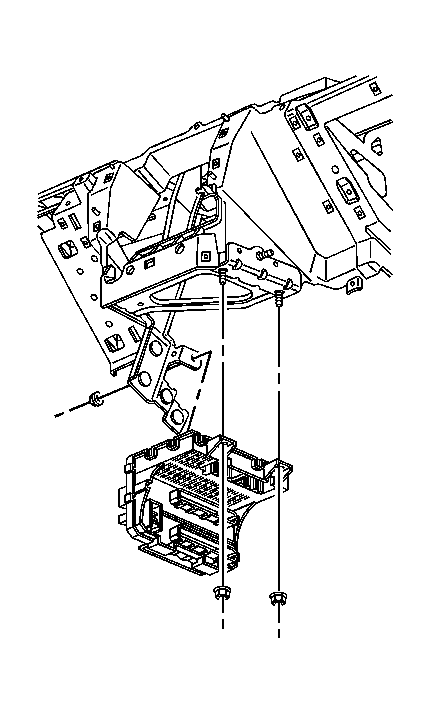
  1. Install the BCM to the vehicle and install the retaining nuts.

    Tighten:  Tighten the nuts to 10 N.m (88 lb in).

  2. Fig 1: View Of BCM
    GM877750Courtesy of GENERAL MOTORS CORP.
  3. Connect the large I/P wiring harness connector (2) to the BCM.
  4. Fig 2: View Of BCM I/P Wiring Harness Connectors
    GM877747Courtesy of GENERAL MOTORS CORP.
  5. Connect the small I/P wiring harness connector (1) to the BCM.
  6. Connect the large body wiring harness connector (2) to the BCM.
  7. Fig 3: View Of BCM Body Harness Connectors
    GM877745Courtesy of GENERAL MOTORS CORP.
  8. Connect the small body wiring harness connector (1) to the BCM.
  9. Connect the OnStar® connector.
  10. Pull back the carpet and position the center support bracket into position.
  11. Install the center support bracket nuts.

    Tighten:  Tighten the nuts to 10 N.m (88 lb in).

  12. Fig 4: View Of Center Support Bracket
    GM877820Courtesy of GENERAL MOTORS CORP.
  13. Install the wiring harness rosebud to the center support bracket.
  14. Fig 5: View Of Wiring Harness Center Support Bracket
    GM877821Courtesy of GENERAL MOTORS CORP.
  15. Install the front floor console. Refer to Console Replacement - Front Floor in Instrument Panel, Gages, and Console.
  16. Connect the negative battery cable. Refer to Battery Negative Cable Disconnect/Connect Procedure in Engine Electrical.
  17. Program a new or a remanufactured BCM. Refer to Control Module References .