LEMON Manuals: Even more car manuals for everyone: 1960-2025
Home >> Scion >> 2007 >> tC Base, Automatic >> Repair and Diagnosis >> Electrical >> Body Electrical >> OEM System Circuits >> Abs >> Notes
April 5, 2026: LEMON Manuals is launched! Read the announcement.

OEM System Circuits: Abs: Notes

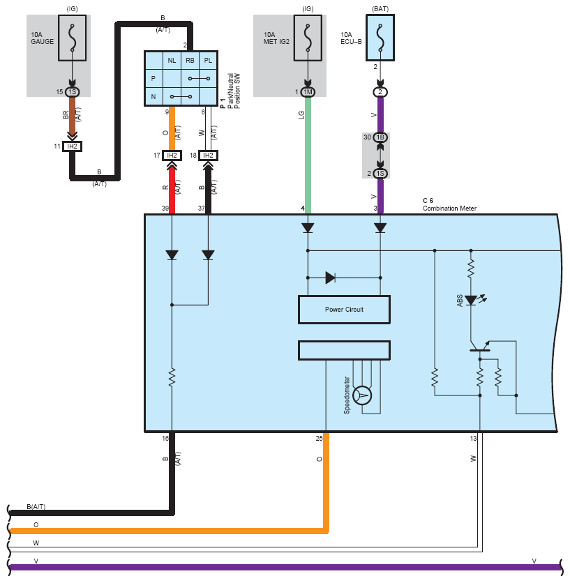
Fig 1: ABS System Wiring Diagram (1 Of 4)
G08759414Courtesy of © TOYOTA, LICENSE AGREEMENT TMS1002
Fig 2: ABS System Wiring Diagram (2 Of 4)
G08759415Courtesy of © TOYOTA, LICENSE AGREEMENT TMS1002
Fig 3: ABS System Wiring Diagram (3 Of 4)
G08759416Courtesy of © TOYOTA, LICENSE AGREEMENT TMS1002
Fig 4: ABS System Wiring Diagram (4 Of 4)
G08759417Courtesy of © TOYOTA, LICENSE AGREEMENT TMS1002