LEMON Manuals: Even more car manuals for everyone: 1960-2025
Home >> Scion >> 2007 >> tC Base, Automatic >> Repair and Diagnosis >> Electrical >> Body Electrical >> OEM System Circuits >> Power Window with Jam Protection >> Notes
April 5, 2026: LEMON Manuals is launched! Read the announcement.

Power Window with Jam Protection: Notes

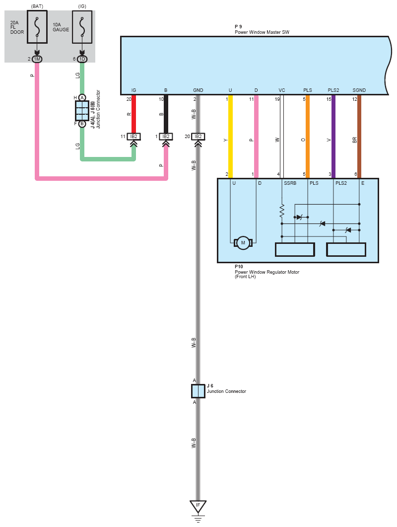
Fig 1: Power Window With Jam Protection System Wiring Diagram (1 Of 3)
G08759393Courtesy of © TOYOTA, LICENSE AGREEMENT TMS1002
Fig 2: Power Window With Jam Protection System Wiring Diagram (2 Of 3)
G08759394Courtesy of © TOYOTA, LICENSE AGREEMENT TMS1002
Fig 3: Power Window With Jam Protection System Wiring Diagram (3 Of 3)
G08759395Courtesy of © TOYOTA, LICENSE AGREEMENT TMS1002