LEMON Manuals: Even more car manuals for everyone: 1960-2025
Home >> Scion >> 2007 >> tC Base, Automatic >> Repair and Diagnosis >> Electrical >> Body Electrical >> OEM System Circuits >> Power Window without Jam Protection >> Notes
April 5, 2026: LEMON Manuals is launched! Read the announcement.

Power Window without Jam Protection: Notes

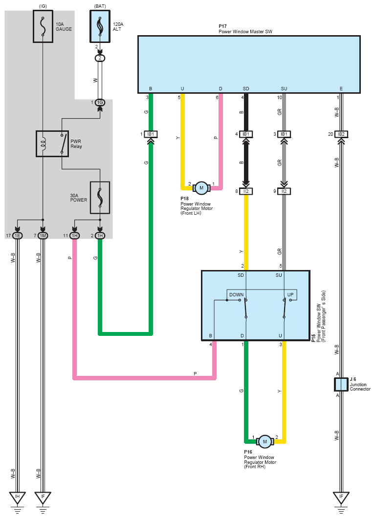
Fig 1: Power Window Without Jam Protection System Wiring Diagram
G08759396Courtesy of © TOYOTA, LICENSE AGREEMENT TMS1002