LEMON Manuals: Even more car manuals for everyone: 1960-2025
Home >> Scion >> 2007 >> tC Base, Automatic >> Repair and Diagnosis >> Engine Performance >> Tune-Up >> Ignition >> Ignition System >> System Diagram
April 5, 2026: LEMON Manuals is launched! Read the announcement.

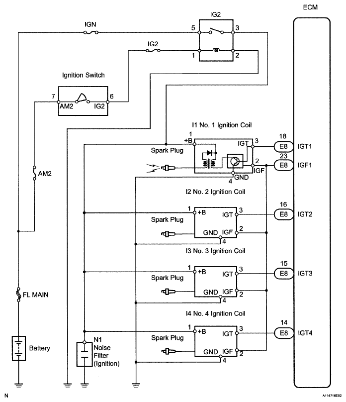
System Diagram

Fig 1: Ignition - System Diagram (1 Of 2)
G04865921Courtesy of © TOYOTA, LICENSE AGREEMENT TMS1002
Fig 2: Ignition - System Diagram (2 Of 2)
G04865922Courtesy of © TOYOTA, LICENSE AGREEMENT TMS1002