LEMON Manuals: Even more car manuals for everyone: 1960-2025
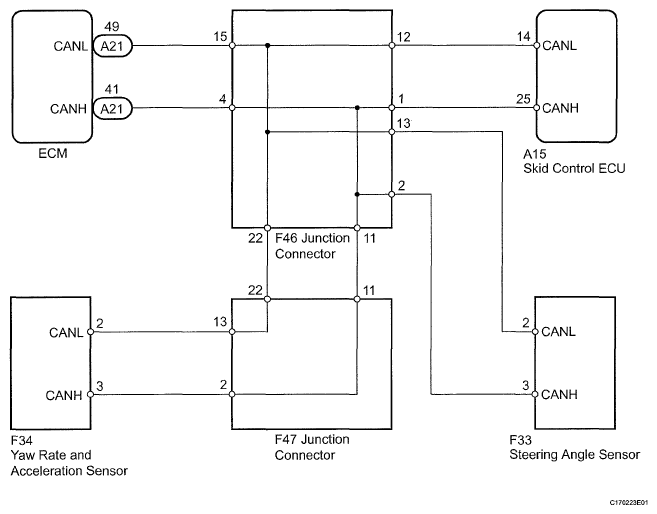
Home >> Scion >> 2009 >> xD Standard >> Repair and Diagnosis (Single Page) >> Brakes >> Traction Control >> Brakes - Abs >> Vehicle Stability Control System >> DTC U0073/94 Control Module Communication Bus OFF; DTC U0100/65 Lost Communication with ECM / PCM; DTC U0123/62 Lost Communication with Yaw Rate Sensor Module; DTC U0124/95 Lost Communication with Lateral Acceleration Sensor Module; DTC U0126/63 Lost Communication with Steering Angle Sensor Module >> Wiring Diagram
April 5, 2026: LEMON Manuals is launched! Read the announcement.

DTC U0073/94 Control Module Communication Bus OFF; DTC U0100/65 Lost Communication with ECM / PCM; DTC U0123/62 Lost Communication with Yaw Rate Sensor Module; DTC U0124/95 Lost Communication with Lateral Acceleration Sensor Module; DTC U0126/63 Lost Communication with Steering Angle Sensor Module: Wiring Diagram

Fig 1: Yaw Rate And Acceleration Sensor - Wiring Diagram
G05401227Courtesy of © TOYOTA, LICENSE AGREEMENT TMS1002