LEMON Manuals: Even more car manuals for everyone: 1960-2025
Home >> Scion >> 2010 >> xD Standard >> Repair and Diagnosis (Single Page) >> Electrical >> Fuses & Circuit Breakers >> OEM Junction Block, Ecu & Fuse/Relay Locations >> Relay Block Identification >> Engine Room Relay Block Assembly And Engine Room Junction Block Assembly Inner Circuit
April 5, 2026: LEMON Manuals is launched! Read the announcement.

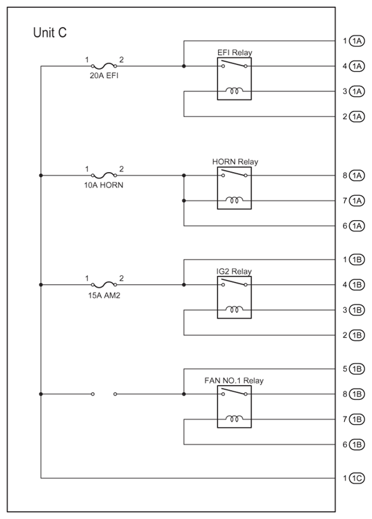
Engine Room Relay Block Assembly And Engine Room Junction Block Assembly Inner Circuit

Fig 1: Engine Room R/B Assembly And J/B Assembly Inner Circuit Diagram (1 Of 2) With Relays
G07571076Courtesy of © TOYOTA, LICENSE AGREEMENT TMS1002
ENGINE ROOM R/B AND J/B INNER CIRCUIT RELAY IDENTIFICATION

RELAY DESCRIPTION
EFI Relay
Horn Relay
IG2 Relay
Fan No. Relay
Fig 2: Engine Room R/B Assembly And J/B Assembly Inner Circuit Diagram (2 Of 2)
G07571077Courtesy of © TOYOTA, LICENSE AGREEMENT TMS1002