LEMON Manuals: Even more car manuals for everyone: 1960-2025
Home >> Scion >> 2011 >> tC Automatic >> Repair and Diagnosis >> Electrical >> Body Electrical >> OEM System Circuits >> EPS >> Notes
April 5, 2026: LEMON Manuals is launched! Read the announcement.

OEM System Circuits: EPS: Notes

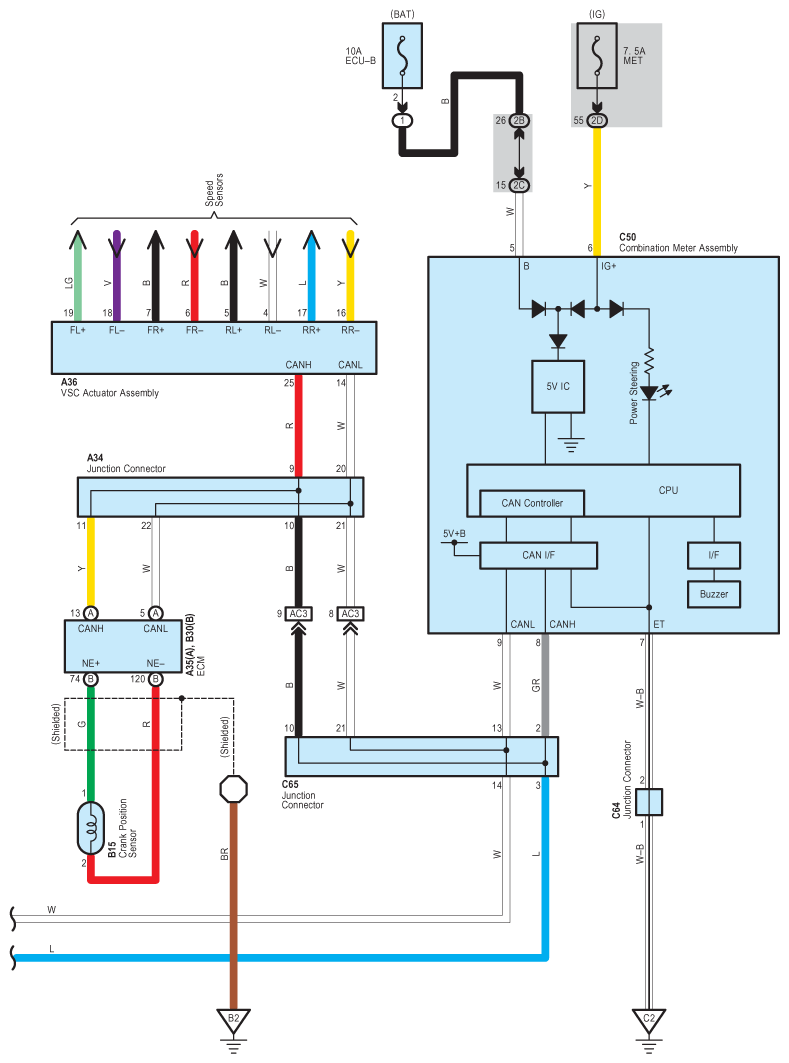
Fig 1: EPS - Circuit Diagram (1 Of 2)
G07619592Courtesy of © TOYOTA, LICENSE AGREEMENT TMS1002
Fig 2: EPS - Circuit Diagram (2 Of 2)
G07619593Courtesy of © TOYOTA, LICENSE AGREEMENT TMS1002