LEMON Manuals: Even more car manuals for everyone: 1960-2025
Home >> Scion >> 2011 >> tC Automatic >> Repair and Diagnosis >> Electrical >> Body Electrical >> OEM System Circuits >> Power Window >> Notes
April 5, 2026: LEMON Manuals is launched! Read the announcement.

Power Window: Notes

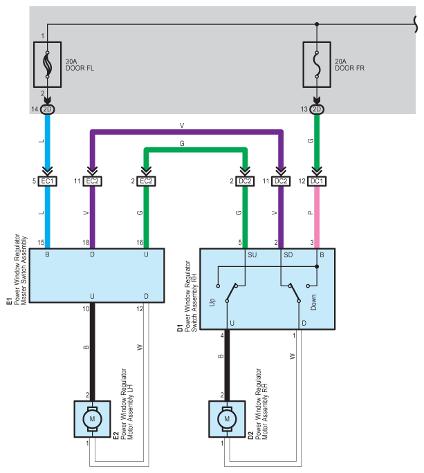
Fig 1: Power Window - Circuit Diagram (1 Of 3)
G07619562Courtesy of © TOYOTA, LICENSE AGREEMENT TMS1002
Fig 2: Power Window - Circuit Diagram (2 Of 3)
G07619563Courtesy of © TOYOTA, LICENSE AGREEMENT TMS1002
Fig 3: Power Window - Circuit Diagram (3 Of 3)
G07619564Courtesy of © TOYOTA, LICENSE AGREEMENT TMS1002