LEMON Manuals: Even more car manuals for everyone: 1960-2025
Home >> Scion >> 2011 >> xB Automatic >> Repair and Diagnosis >> Electrical >> Body Electrical >> OEM System Circuits >> Engine Immobiliser System >> Notes
April 5, 2026: LEMON Manuals is launched! Read the announcement.

Engine Immobiliser System: Notes

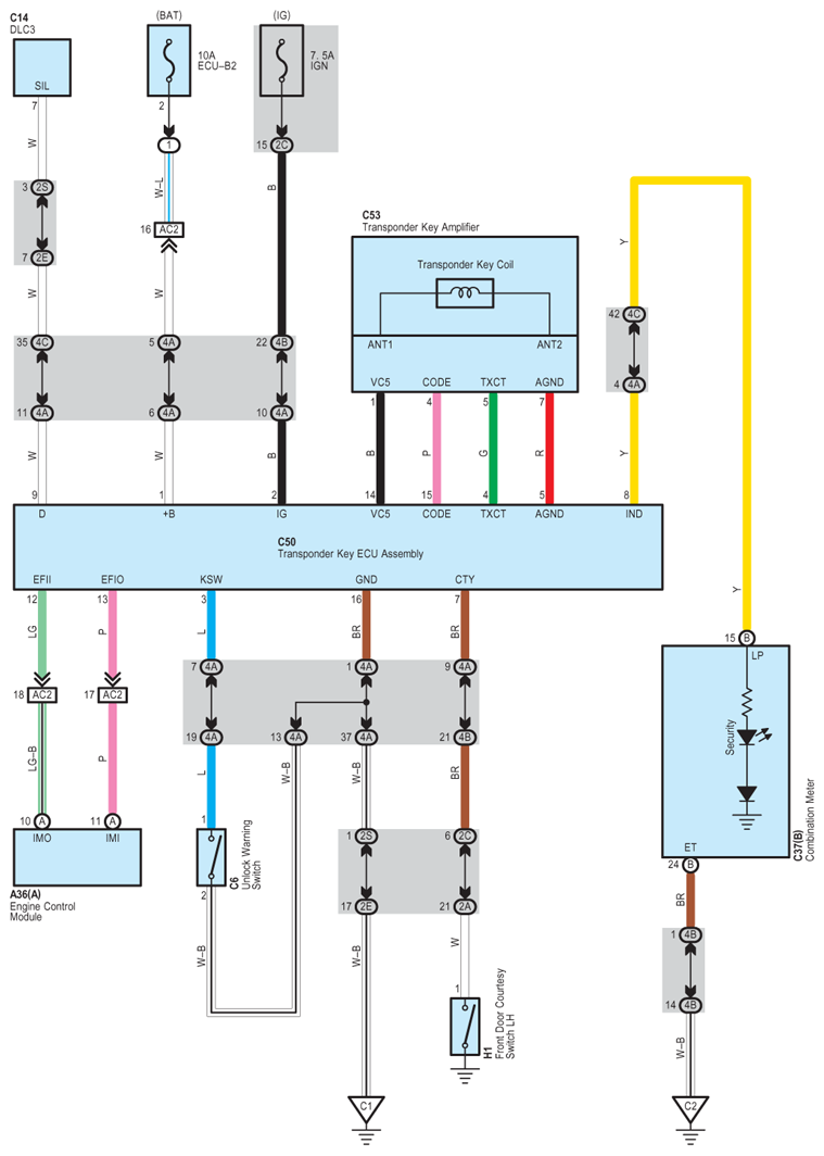
Fig 1: Engine Immobiliser System - Circuit Diagram
G07610265Courtesy of © TOYOTA, LICENSE AGREEMENT TMS1002