LEMON Manuals: Even more car manuals for everyone: 1960-2025
Home >> Scion >> 2011 >> xB Standard >> Repair and Diagnosis >> External Pages >> Different car >> Section 107 (OEM System Circuits) >> Cruise Control >> Notes
April 5, 2026: LEMON Manuals is launched! Read the announcement.

Cruise Control: Notes

WARNING: This page is about a different car, the 2010 Scion xB. However, it is still accessible from the selected car via links, so may be relevant.
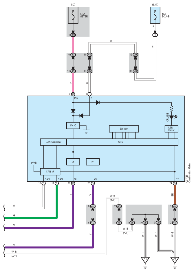
Fig 1: Cruise Control - Circuit Diagram (1 Of 6)
G07569308Courtesy of © TOYOTA, LICENSE AGREEMENT TMS1002
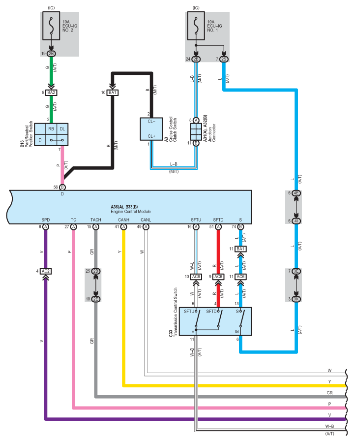
Fig 2: Cruise Control - Circuit Diagram (2 Of 6)
G07569309Courtesy of © TOYOTA, LICENSE AGREEMENT TMS1002
Fig 3: Cruise Control - Circuit Diagram (3 Of 6)
G07569310Courtesy of © TOYOTA, LICENSE AGREEMENT TMS1002
Fig 4: Cruise Control - Circuit Diagram (4 Of 6)
G07569311Courtesy of © TOYOTA, LICENSE AGREEMENT TMS1002
Fig 5: Cruise Control - Circuit Diagram (5 Of 6)
G07569312Courtesy of © TOYOTA, LICENSE AGREEMENT TMS1002
Fig 6: Cruise Control - Circuit Diagram (6 Of 6)
G07569313Courtesy of © TOYOTA, LICENSE AGREEMENT TMS1002