LEMON Manuals: Even more car manuals for everyone: 1960-2025
Home >> Scion >> 2011 >> xB Standard >> Repair and Diagnosis >> External Pages >> Different car >> Section 107 (OEM System Circuits) >> Power Window >> Notes
April 5, 2026: LEMON Manuals is launched! Read the announcement.

Power Window: Notes

WARNING: This page is about a different car, the 2010 Scion xB. However, it is still accessible from the selected car via links, so may be relevant.
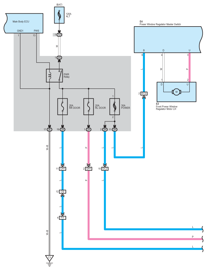
Fig 1: Power Window - Circuit Diagram (1 Of 3)
G07569354Courtesy of © TOYOTA, LICENSE AGREEMENT TMS1002
Fig 2: Power Window - Circuit Diagram (2 Of 3)
G07569355Courtesy of © TOYOTA, LICENSE AGREEMENT TMS1002
Fig 3: Power Window - Circuit Diagram (3 Of 3)
G07569356Courtesy of © TOYOTA, LICENSE AGREEMENT TMS1002