LEMON Manuals: Even more car manuals for everyone: 1960-2025
Home >> Scion >> 2011 >> xB Standard >> Repair and Diagnosis >> External Pages >> Different car >> Section 107 (OEM System Circuits) >> Rear Window Defogger >> Notes
April 5, 2026: LEMON Manuals is launched! Read the announcement.

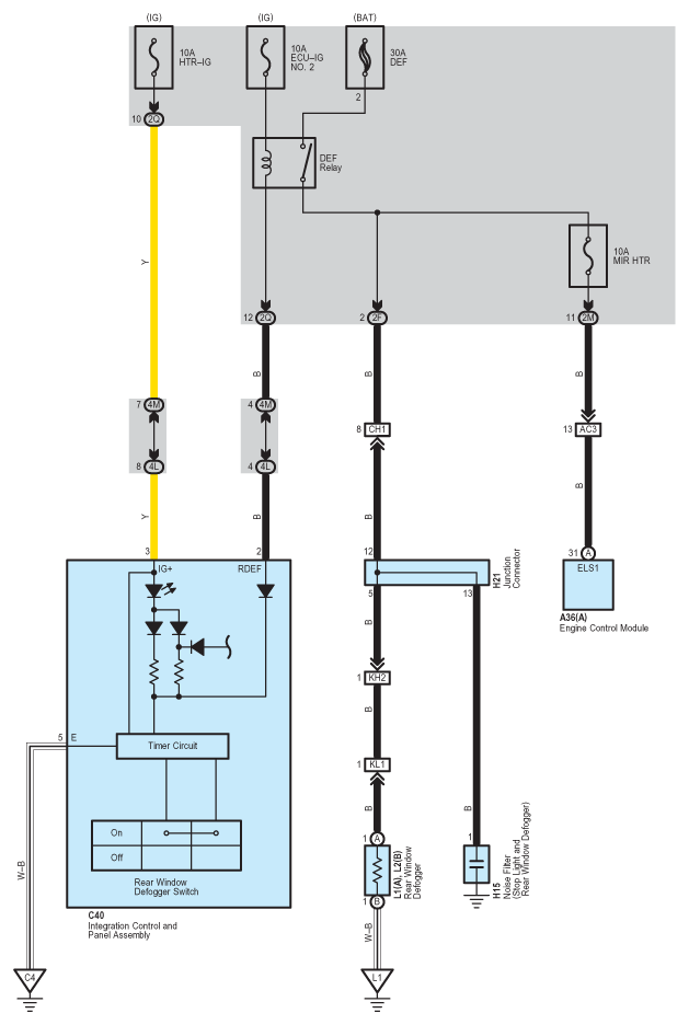
Rear Window Defogger: Notes

WARNING: This page is about a different car, the 2010 Scion xB. However, it is still accessible from the selected car via links, so may be relevant.
Fig 1: Rear Window Defogger - Circuit Diagram
G07569373Courtesy of © TOYOTA, LICENSE AGREEMENT TMS1002