LEMON Manuals: Even more car manuals for everyone: 1960-2025
Home >> Scion >> 2011 >> xD Automatic >> Repair and Diagnosis (Single Page) >> Electrical >> Fuses & Circuit Breakers >> OEM Junction Block, Ecu & Fuse/Relay Locations >> Relay Block Identification >> Engine Room Relay Block Assembly And Engine Room Junction Block Assembly Inner Circuit
April 5, 2026: LEMON Manuals is launched! Read the announcement.

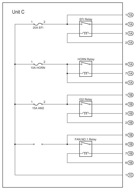
Engine Room Relay Block Assembly And Engine Room Junction Block Assembly Inner Circuit

Fig 1: Engine Room R/B And J/B Assembly Inner Circuit Diagram (Unit C) With Relays
G07596042Courtesy of © TOYOTA, LICENSE AGREEMENT TMS1002
ENGINE ROOM R/B AND J/B INNER CIRCUIT RELAY IDENTIFICATION (UNIT C)

RELAY DESCRIPTION
EFI Relay
Horn Relay
IG2 Relay
Fan No. 1 Relay
Fig 2: Engine Room R/B And J/B Assembly Inner Circuit Diagram (Unit B)
G07596043Courtesy of © TOYOTA, LICENSE AGREEMENT TMS1002