LEMON Manuals
: Even more car manuals for everyone: 1960-2025
Home
>>
Scion
>>
2011
>>
xD Automatic
>>
Repair and Diagnosis
>>
Electrical
>>
Body Electrical
>>
OEM System Circuits
>>
Air Conditioning
>>
Notes
April 5, 2026:
LEMON Manuals is launched!
Read the announcement.
Air Conditioning: Notes
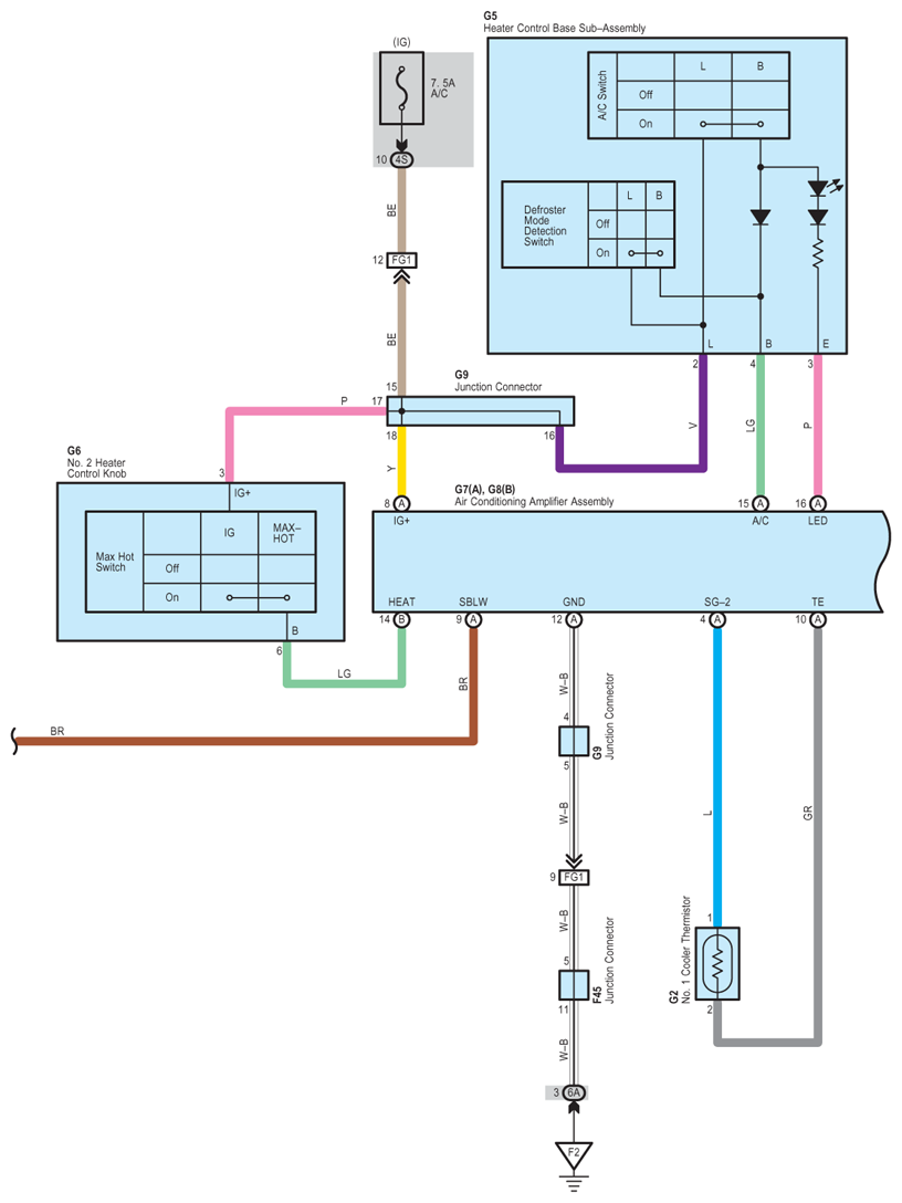
Fig 1: Air Conditioning - Circuit Diagram (1 Of 4)
Courtesy of © TOYOTA, LICENSE AGREEMENT TMS1002
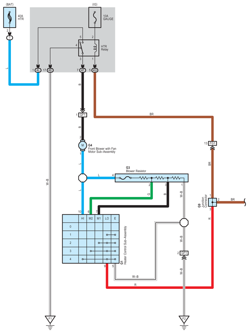
Fig 2: Air Conditioning - Circuit Diagram (2 Of 4)
Courtesy of © TOYOTA, LICENSE AGREEMENT TMS1002
Fig 3: Air Conditioning - Circuit Diagram (3 Of 4)
Courtesy of © TOYOTA, LICENSE AGREEMENT TMS1002
Fig 4: Air Conditioning - Circuit Diagram (4 Of 4)
Courtesy of © TOYOTA, LICENSE AGREEMENT TMS1002