LEMON Manuals: Even more car manuals for everyone: 1960-2025
Home >> Scion >> 2011 >> xD Automatic >> Repair and Diagnosis >> Electrical >> Body Electrical >> OEM System Circuits >> Door Lock Control >> Notes
April 5, 2026: LEMON Manuals is launched! Read the announcement.

Door Lock Control: Notes

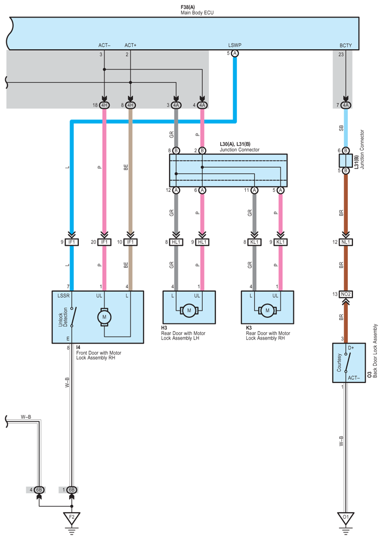
Fig 1: Door Lock Control - Circuit Diagram (1 Of 4)
G07596144Courtesy of © TOYOTA, LICENSE AGREEMENT TMS1002
Fig 2: Door Lock Control - Circuit Diagram (2 Of 4)
G07596145Courtesy of © TOYOTA, LICENSE AGREEMENT TMS1002
Fig 3: Door Lock Control - Circuit Diagram (3 Of 4)
G07596146Courtesy of © TOYOTA, LICENSE AGREEMENT TMS1002
Fig 4: Door Lock Control - Circuit Diagram (4 Of 4)
G07596147Courtesy of © TOYOTA, LICENSE AGREEMENT TMS1002