LEMON Manuals: Even more car manuals for everyone: 1960-2025
Home >> Scion >> 2011 >> xD Standard >> Repair and Diagnosis >> External Pages >> Different car >> Section 107 (OEM System Circuits) >> Combination Meter >> Notes
April 5, 2026: LEMON Manuals is launched! Read the announcement.

Combination Meter: Notes

WARNING: This page is about a different car, the 2010 Scion xD. However, it is still accessible from the selected car via links, so may be relevant.
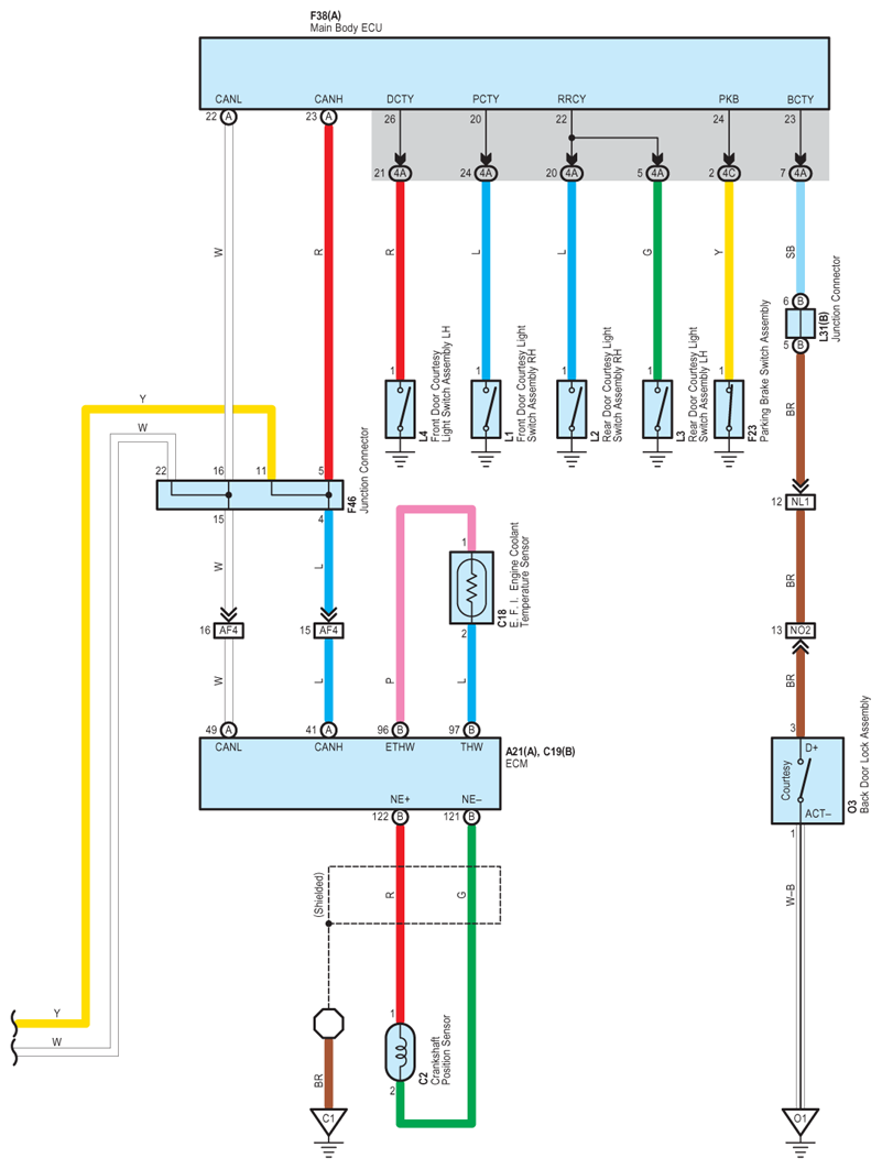
Fig 1: Combination Meter - Circuit Diagram (1 Of 5)
G07571203Courtesy of © TOYOTA, LICENSE AGREEMENT TMS1002
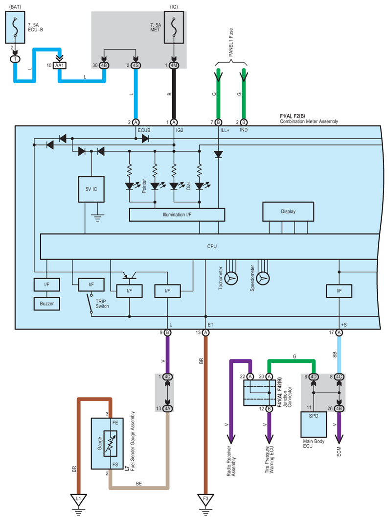
Fig 2: Combination Meter - Circuit Diagram (2 Of 5)
G07571204Courtesy of © TOYOTA, LICENSE AGREEMENT TMS1002
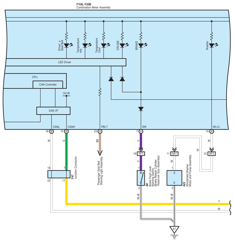
Fig 3: Combination Meter - Circuit Diagram (3 Of 5)
G07571205Courtesy of © TOYOTA, LICENSE AGREEMENT TMS1002
Fig 4: Combination Meter - Circuit Diagram (4 Of 5)
G07571206Courtesy of © TOYOTA, LICENSE AGREEMENT TMS1002
Fig 5: Combination Meter - Circuit Diagram (5 Of 5)
G07571207Courtesy of © TOYOTA, LICENSE AGREEMENT TMS1002