LEMON Manuals: Even more car manuals for everyone: 1960-2025
Home >> Scion >> 2011 >> xD Standard >> Repair and Diagnosis >> External Pages >> Different car >> Section 107 (OEM System Circuits) >> Stop Light >> Notes
April 5, 2026: LEMON Manuals is launched! Read the announcement.

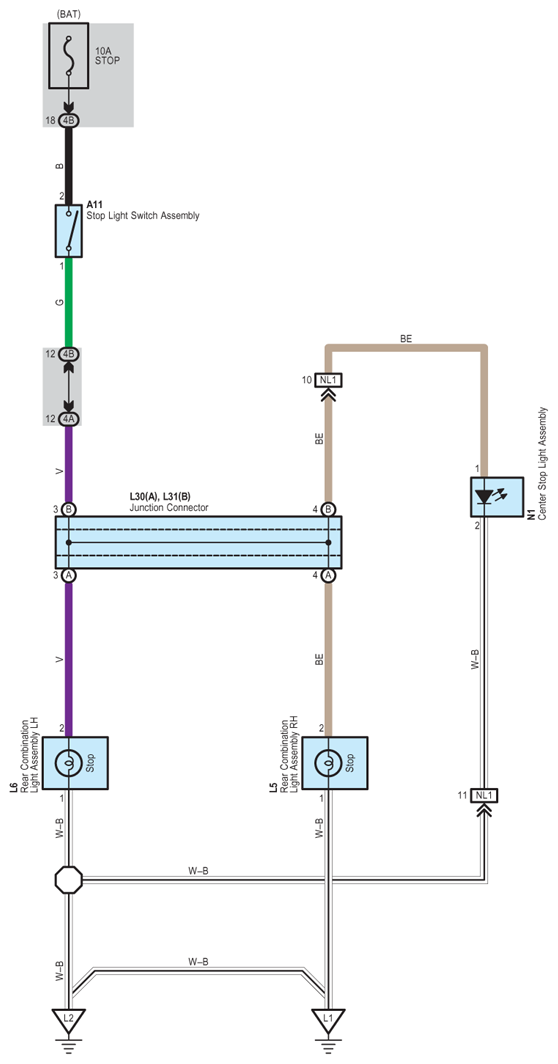
Stop Light: Notes

WARNING: This page is about a different car, the 2010 Scion xD. However, it is still accessible from the selected car via links, so may be relevant.
Fig 1: Stop Light - Circuit Diagram
G07571146Courtesy of © TOYOTA, LICENSE AGREEMENT TMS1002