LEMON Manuals: Even more car manuals for everyone: 1960-2025
Home >> Scion >> 2012 >> tC Standard Trans >> Repair and Diagnosis (Single Page) >> Electrical >> Starter >> Smart Key System (For Starting) (Diagnostics - Introduction) >> SMART KEY SYSTEM (for Start Function) >> System Diagram >> System Diagram
April 5, 2026: LEMON Manuals is launched! Read the announcement.

System Diagram

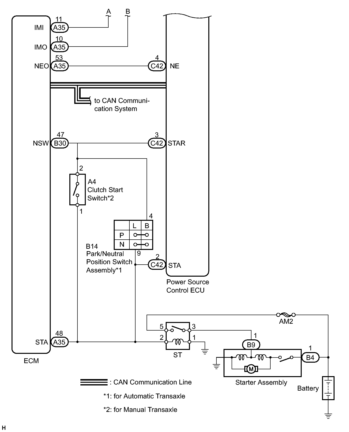
Fig 1: Smart Key System - Circuit Diagram (1 Of 4)
GTY314074Courtesy of © TOYOTA, LICENSE AGREEMENT TMS1002
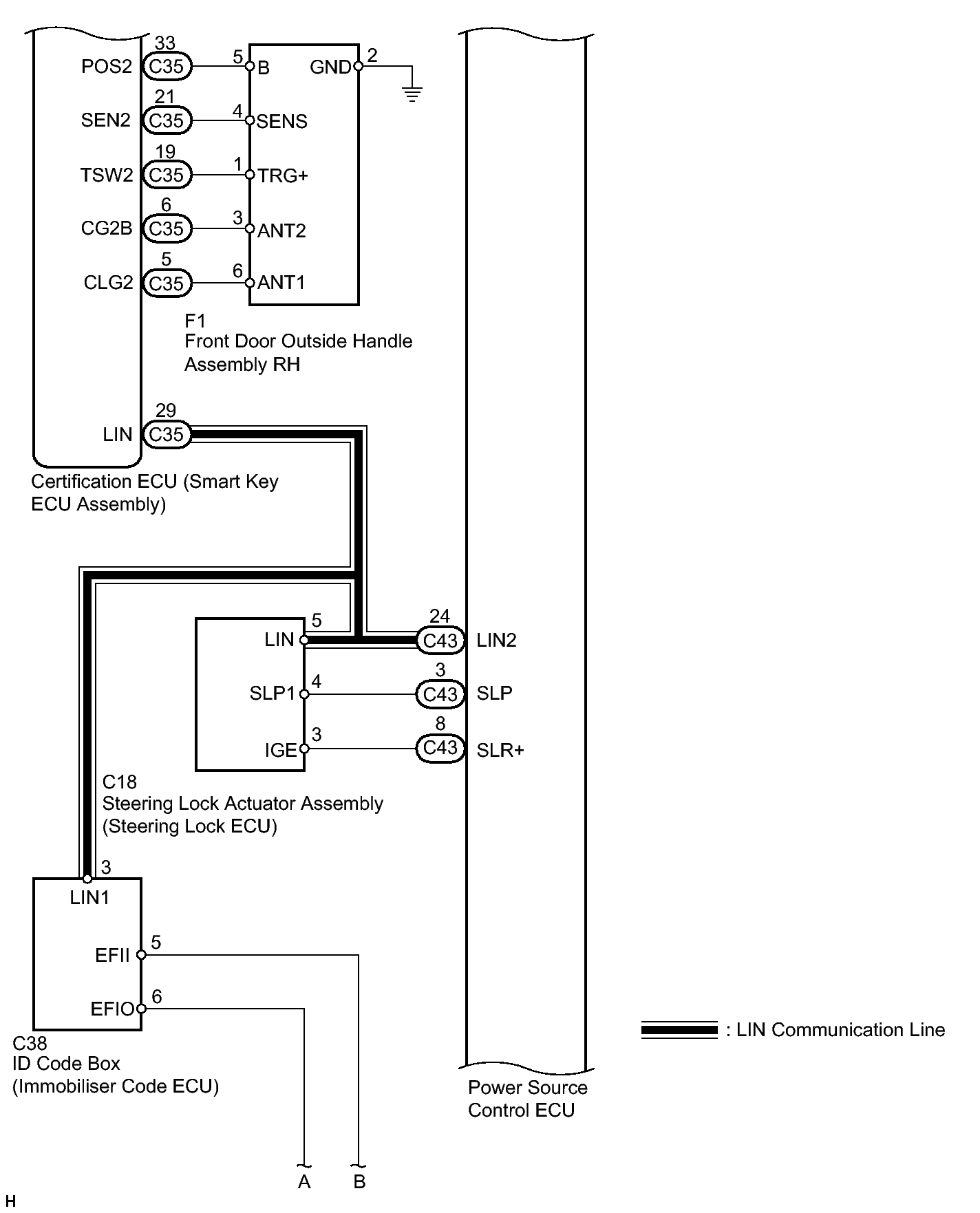
Fig 2: Smart Key System - Circuit Diagram (2 Of 4)
GTY310768Courtesy of © TOYOTA, LICENSE AGREEMENT TMS1002
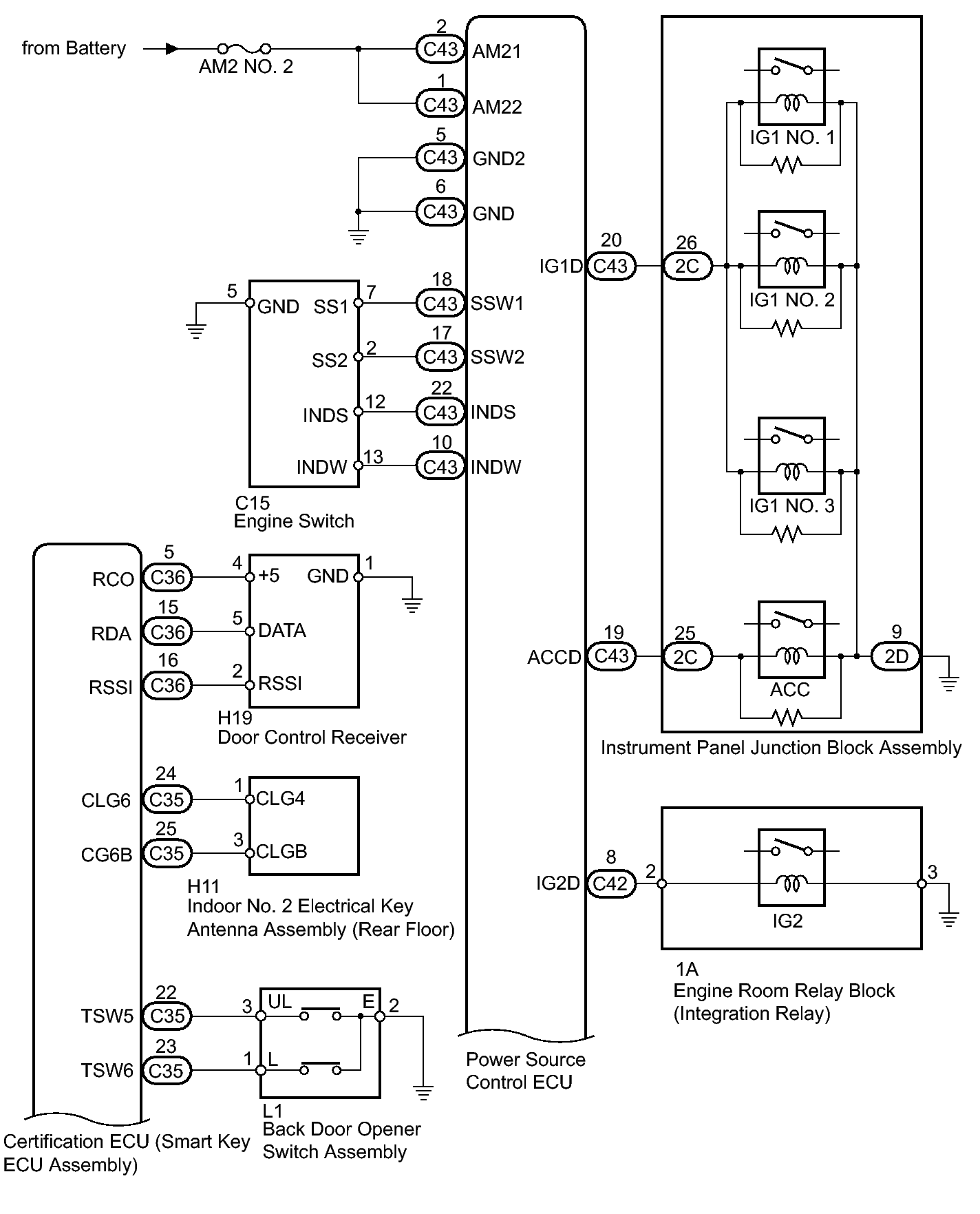
Fig 3: Smart Key System - Circuit Diagram (3 Of 4)
GTY310471Courtesy of © TOYOTA, LICENSE AGREEMENT TMS1002
Fig 4: Smart Key System - Circuit Diagram (4 Of 4)
GTY310567Courtesy of © TOYOTA, LICENSE AGREEMENT TMS1002
Component Outline
Engine switch
  • Turns on the power and starts the engine.
  • Contains an indicator to indicate when the engine can be started.
  • Contains a built-in transponder key amplifier to start the engine when the electrical key transmitter does not operate properly due to a depleted battery or wave interference.
Certification ECU (smart key ECU assembly)
  • Performs verification.
  • Controls the electrical key antenna (outside), electrical key antenna (indoor) and door lock/unlock sensor.
  • Receives the open signal from the back door opener switch and outputs a signal to the main body ECU (multiplex network body ECU) via CAN communication.
  • Outputs entry door lock/unlock commands.
  • Outputs steering lock actuator assembly lock/unlock command signals.
  • Outputs immobiliser set/unset commands.
  • Controls the security indicator light and engine switch indicator.
  • Forms the entry detection area.
ID code box (immobiliser code ECU)
  • Receives command signals from the certification ECU (smart key ECU assembly) and outputs immobiliser set and unset command signals to the ECM.
  • Records codes for verification.
Power source control ECU
  • Changes the power source mode by operating the ACC and IG relays.
  • Controls starting by operating the starter relay.
  • Controls the engine switch indicator.
ECM Outputs a signal indicating that the engine has started to the power source control ECU when starting the engine.
Steering lock actuator assembly (steering lock ECU)
  • Receives command signals from the certification ECU (smart key ECU assembly) and activates the steering lock actuator assembly.
  • Records codes for verification.
Combination meter
  • Operates various warnings (sounding of the buzzer in the combination meter) according to the command signals from the certification ECU (smart key ECU assembly).
  • Notifies the user when the smart key system has a malfunction.
  • Outputs a vehicle speed signal to the power source control ECU.
Security indicator light Blinks when the engine immobiliser system is set (the engine cannot be started) according to certification ECU (smart key ECU assembly) control (immobiliser function).
IG, ACC relay Turns on/off according to power source control ECU control and provides power to each system.
Stop light switch assembly*1 Detects when the brake pedal has been depressed (switch is on) and outputs a signal to the power source control ECU.
Park/neutral position switch*1 Outputs the state of the shift lever to the power source control ECU.
Shift lock control ECU*1 Outputs a shift lock control ECU signal to the power source control ECU.
Front door outside handle assembly LH/RH Sends request signals from the certification ECU (smart key ECU assembly) via the built-in electrical key antenna and forms the vehicle exterior detection area. Sends door lock switch operation signals to the certification ECU (smart key ECU assembly) (entry lock function).
Uses the built-in touch sensor to detect the operation of the front door outside handle assembly and sends signals to the certification ECU (smart key ECU assembly) (entry unlock function).
Indoor No. 1 electrical key antenna assembly (front floor)
Indoor No. 2 electrical key antenna assembly (rear floor)
Sends the request code from the certification ECU (smart key ECU assembly) and forms the vehicle interior detection area.
Indoor No. 3 electrical key antenna assembly (inside luggage) Sends the request code from the certification ECU (smart key ECU assembly) and forms the luggage compartment interior detection area.
Electrical key antenna (outside luggage) Sends the request code from the certification ECU (smart key ECU assembly) and forms the luggage compartment exterior detection area.
Door control receiver Receives the smart key system code/wireless code sent from the electrical key transmitter and sends it to the certification ECU (smart key ECU assembly).
Turn signal flasher assembly (flasher relay) Blinks the hazard warning lights when performing answer-back in accordance with commands from the certification ECU (smart key ECU assembly) sent through the main body ECU (multiplex network body ECU) via CAN communication.
Wireless door lock buzzer Sounds when warning functions operate in accordance with certification ECU (smart key ECU assembly) control.
Electrical key transmitter Sends the ID code upon receiving a request signal.