LEMON Manuals: Even more car manuals for everyone: 1960-2025
Home >> Scion >> 2012 >> xB Automatic Trans >> Repair and Diagnosis >> Electrical >> Body Electrical >> OEM System Circuits >> Cruise Control >> Notes
April 5, 2026: LEMON Manuals is launched! Read the announcement.

Cruise Control: Notes

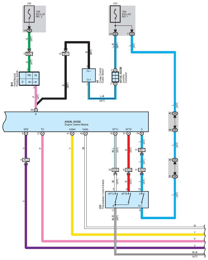
Fig 1: Cruise Control Wiring Diagram (1 Of 6)
G08760725Courtesy of © TOYOTA, LICENSE AGREEMENT TMS1002
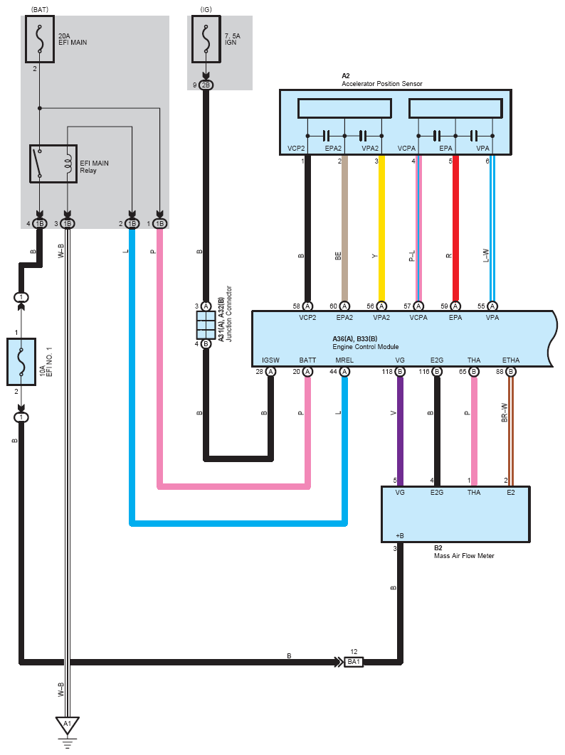
Fig 2: Cruise Control Wiring Diagram (2 Of 6)
G08760726Courtesy of © TOYOTA, LICENSE AGREEMENT TMS1002
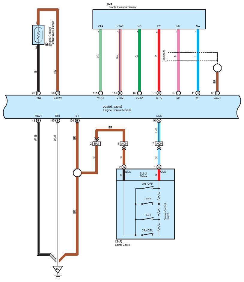
Fig 3: Cruise Control Wiring Diagram (3 Of 6)
G08760727Courtesy of © TOYOTA, LICENSE AGREEMENT TMS1002
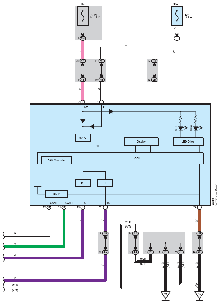
Fig 4: Cruise Control Wiring Diagram (4 Of 6)
G08760728Courtesy of © TOYOTA, LICENSE AGREEMENT TMS1002
Fig 5: Cruise Control Wiring Diagram (5 Of 6)
G08760729Courtesy of © TOYOTA, LICENSE AGREEMENT TMS1002
Fig 6: Cruise Control Wiring Diagram (6 Of 6)
G08760730Courtesy of © TOYOTA, LICENSE AGREEMENT TMS1002