LEMON Manuals: Even more car manuals for everyone: 1960-2025
Home >> Scion >> 2012 >> xB Automatic Trans >> Repair and Diagnosis >> Electrical >> Body Electrical >> OEM System Circuits >> Engine Immobilizer System >> Notes
April 5, 2026: LEMON Manuals is launched! Read the announcement.

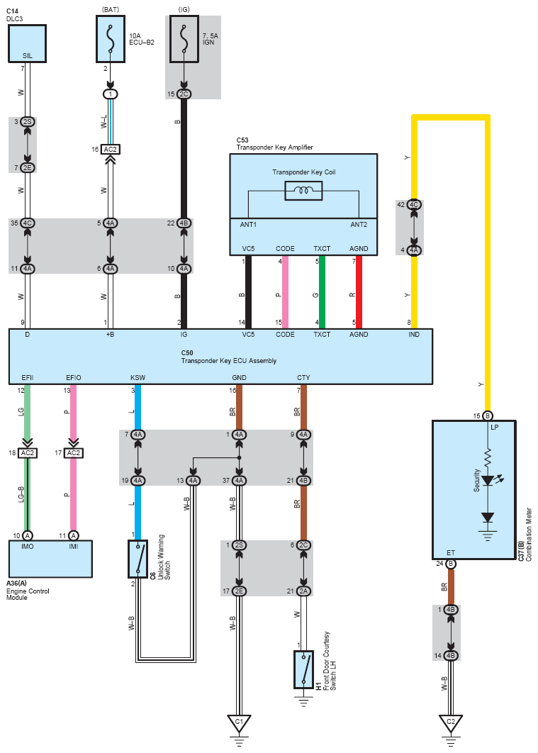
Engine Immobilizer System: Notes

Fig 1: Engine Immobilizer System Wiring Diagram
G08760732Courtesy of © TOYOTA, LICENSE AGREEMENT TMS1002