LEMON Manuals: Even more car manuals for everyone: 1960-2025
Home >> Scion >> 2012 >> xB Automatic Trans >> Repair and Diagnosis >> Electrical >> Body Electrical >> OEM System Circuits >> Interior Light >> Notes
April 5, 2026: LEMON Manuals is launched! Read the announcement.

Interior Light: Notes

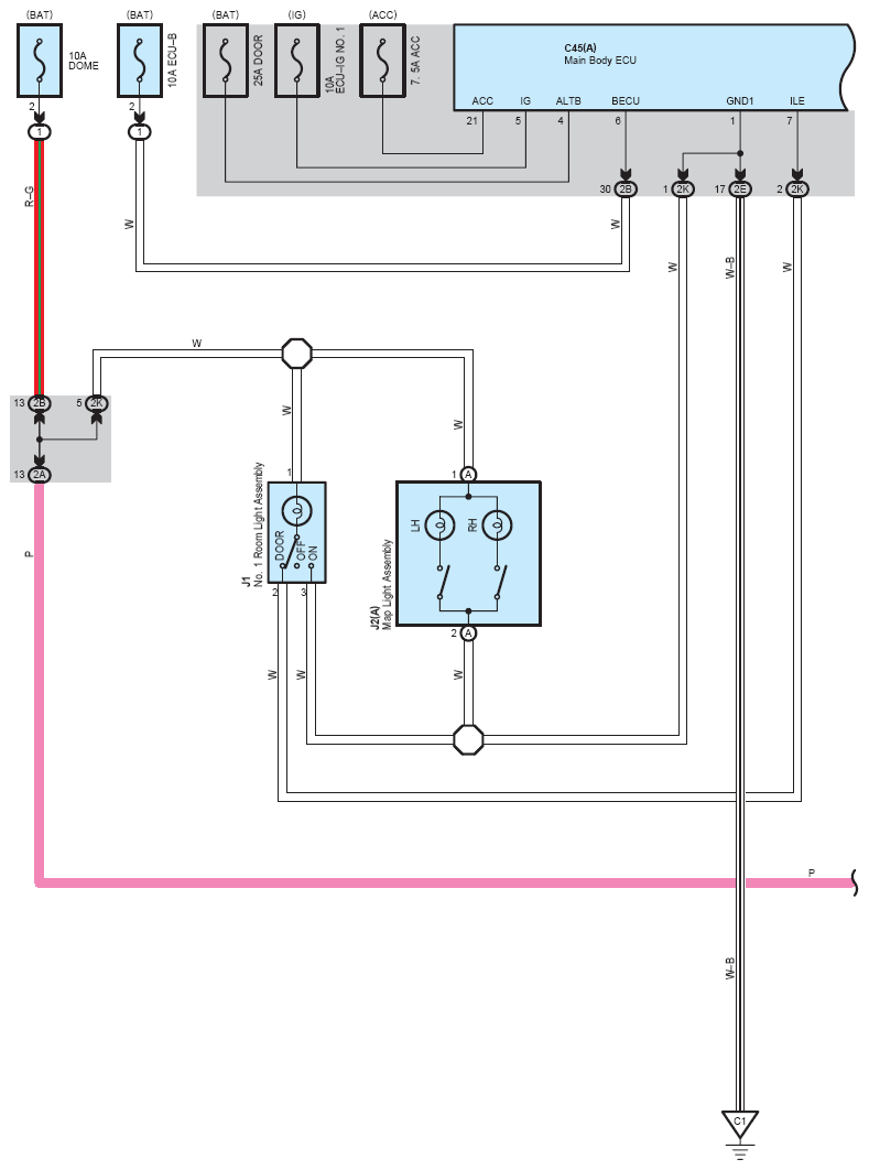
Fig 1: Interior Light Wiring Diagram (1 Of 3)
G08760740Courtesy of © TOYOTA, LICENSE AGREEMENT TMS1002
Fig 2: Interior Light Wiring Diagram (2 Of 3)
G08760741Courtesy of © TOYOTA, LICENSE AGREEMENT TMS1002
Fig 3: Interior Light Wiring Diagram (3 Of 3)
G08760742Courtesy of © TOYOTA, LICENSE AGREEMENT TMS1002