LEMON Manuals: Even more car manuals for everyone: 1960-2025
Home >> Scion >> 2013 >> tC Automatic Trans >> Repair and Diagnosis (Single Page) >> Transmission >> Automatic Trans >> Automatic Transaxle System (Diagnostics - Introduction) >> Automatic Transaxle System >> System Diagram >> System Diagram
April 5, 2026: LEMON Manuals is launched! Read the announcement.

System Diagram

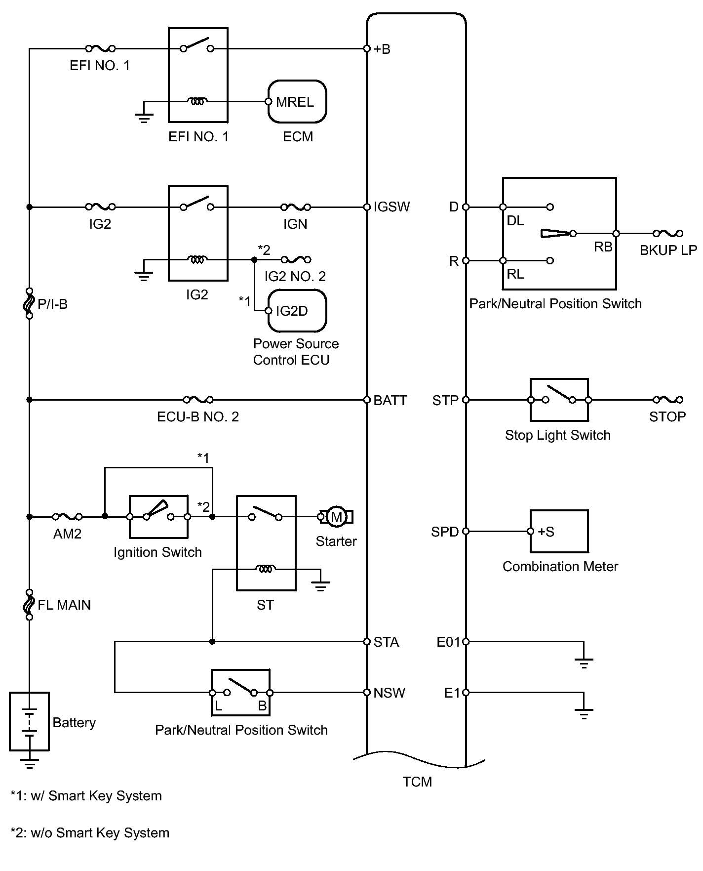
The configuration of the electronic control system for the U760E automatic transaxle is as shown in the following chart.

Fig 1: Automatic Transaxle System Circuit Diagram (1 Of 2)
GTY345338Courtesy of © TOYOTA, LICENSE AGREEMENT TMS1002
Fig 2: Automatic Transaxle System Circuit Diagram (2 Of 2)
GTY312517Courtesy of © TOYOTA, LICENSE AGREEMENT TMS1002