LEMON Manuals: Even more car manuals for everyone: 1960-2025
Home >> Scion >> 2013 >> tC Standard Trans >> Repair and Diagnosis (Single Page) >> Steering >> Steering Column >> Steering Lock System (Diagnostics - Introduction) >> Steering Lock System >> System Diagram >> System Diagram
April 5, 2026: LEMON Manuals is launched! Read the announcement.

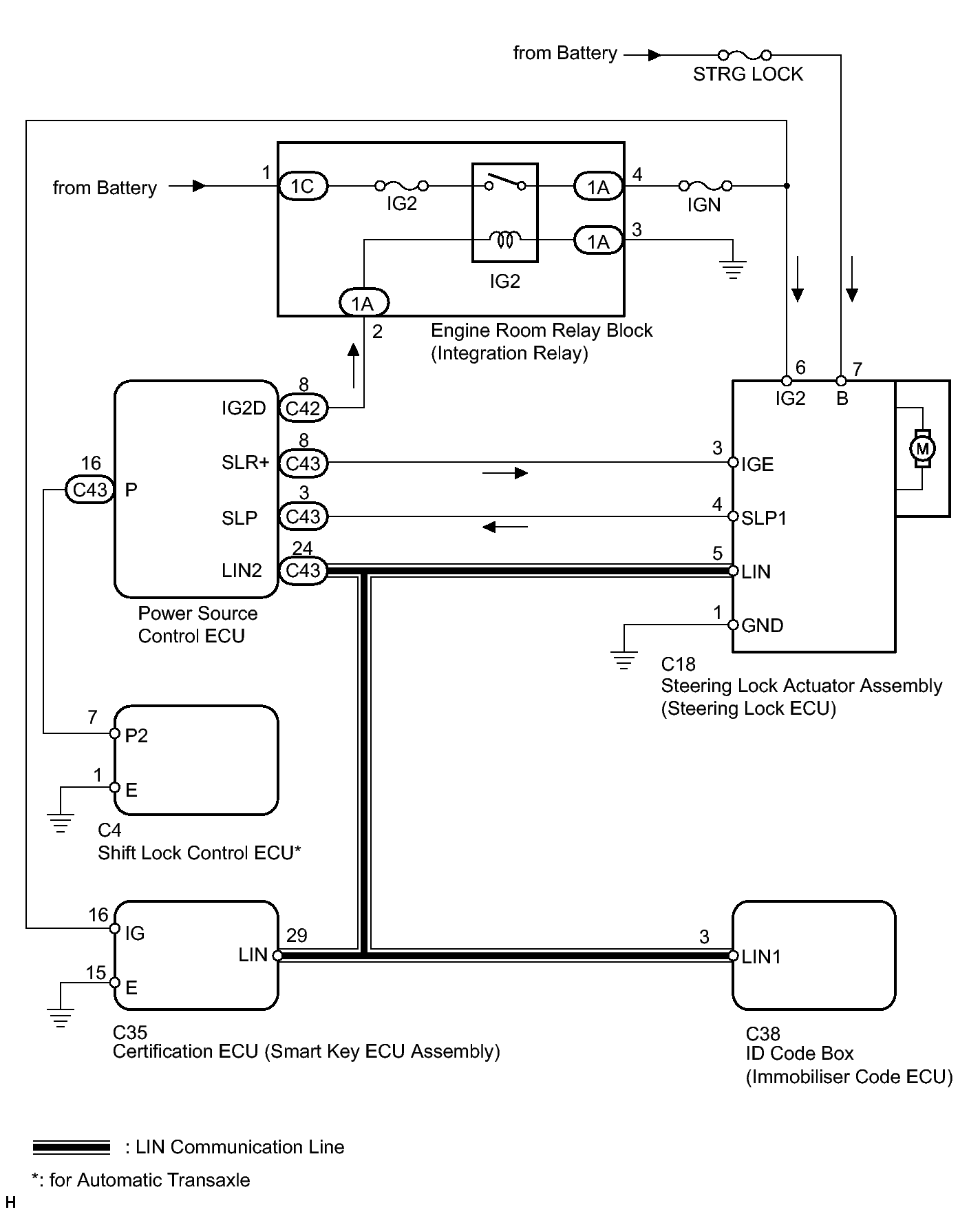
System Diagram

Fig 1: Steering Lock System Circuit Diagram
GTY312590Courtesy of © TOYOTA, LICENSE AGREEMENT TMS1002
CIRCUIT DESCRIPTION

Component Outline
Steering lock actuator assembly (steering lock ECU) The steering is locked and unlocked by communicating with the certification ECU (smart key ECU assembly), power source control ECU and ID code box (immobilizer code ECU) via LIN communication.
When the following conditions are met, the steering can be unlocked.
  • The codes (L codes) of the ID code box (immobilizer code ECU) and steering lock match.
  • The codes (S codes) of the ID code box (immobilizer code ECU) and certification ECU (smart key ECU assembly) match.
  • The certification ECU (smart key ECU assembly) and key ID codes match.
Power source control ECU Outputs a command to supply power to the steering lock motor based on the power source mode, vehicle speed signal and shift position*.
Certification ECU (smart key ECU assembly) The ID code of the electrical key transmitter the user is carrying is sent to the indoor electrical key antenna assembly.
The certification ECU (smart key ECU assembly) compares the key ID code it receives from the indoor electrical key antenna assembly with its own ID code. If they match, the certification ECU (smart key ECU assembly) permits the power source control ECU and steering lock ECU to turn the power on, start the engine and unlock and lock the steering.
ID code box (immobilizer code ECU) Receives immobilizer set and unset commands from the certification ECU (smart key ECU assembly) via LIN communication and sends them to the ECM.