LEMON Manuals: Even more car manuals for everyone: 1960-2025
Home >> Scion >> 2013 >> xD Automatic Trans >> Repair and Diagnosis (Single Page) >> Electrical >> Body Electrical >> OEM Junction Block, Ecu & Fuse/Relay Locations >> Junction Block Fuse, Relay & Circuit Identification >> Instrument Panel Junction Block Assembly - Lower Finish Panel >> Instrument Panel Junction Block Assembly Inner Circuit
April 5, 2026: LEMON Manuals is launched! Read the announcement.

Instrument Panel Junction Block Assembly Inner Circuit

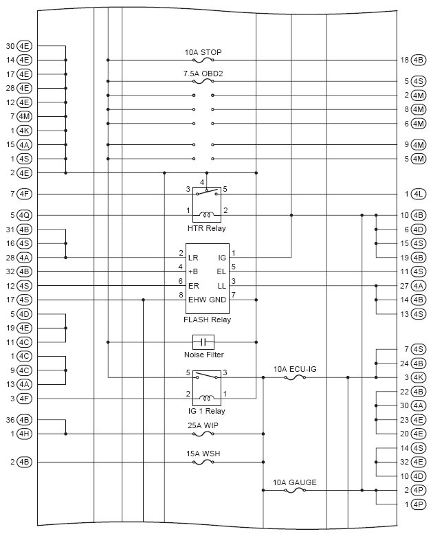
Fig 1: Instrument Panel J/B Assembly Inner Circuit Diagram (1 Of 4) With Relays
G08777247Courtesy of © TOYOTA, LICENSE AGREEMENT TMS1002
INSTRUMENT PANEL J/B INNER CIRCUIT RELAY IDENTIFICATION

RELAY DESCRIPTION
T-LP Relay
PWR Relay
DEF Relay
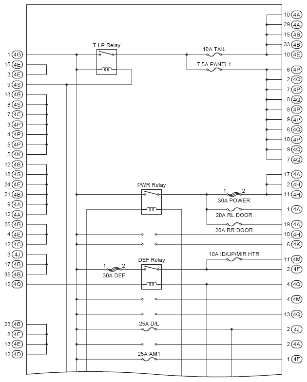
Fig 2: Instrument Panel J/B Assembly Inner Circuit Diagram (2 Of 4)
G08777248Courtesy of © TOYOTA, LICENSE AGREEMENT TMS1002
Fig 3: Instrument Panel J/B Assembly Inner Circuit Diagram (3 Of 4) With Relays
G08777249Courtesy of © TOYOTA, LICENSE AGREEMENT TMS1002
INSTRUMENT PANEL J/B INNER CIRCUIT RELAY IDENTIFICATION

RELAY DESCRIPTION
C/OPN Relay
Fig 4: Instrument Panel J/B Assembly Inner Circuit Diagram (4 Of 4)
G08777250Courtesy of © TOYOTA, LICENSE AGREEMENT TMS1002