LEMON Manuals: Even more car manuals for everyone: 1960-2025
Home >> Scion >> 2013 >> xD Automatic Trans >> Repair and Diagnosis >> Electrical >> Body Electrical >> OEM System Circuits >> Combination Meter >> Notes
April 5, 2026: LEMON Manuals is launched! Read the announcement.

Combination Meter: Notes

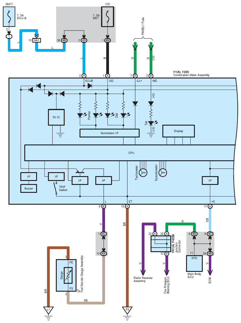
Fig 1: Combination Meter - Circuit Diagram (1 Of 6)
G08777371Courtesy of © TOYOTA, LICENSE AGREEMENT TMS1002
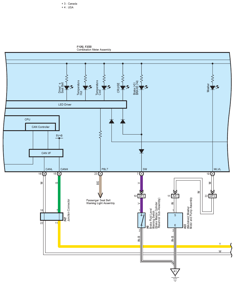
Fig 2: Combination Meter - Circuit Diagram (2 Of 6)
G08777372Courtesy of © TOYOTA, LICENSE AGREEMENT TMS1002
Fig 3: Combination Meter - Circuit Diagram (3 Of 6)
G08777373Courtesy of © TOYOTA, LICENSE AGREEMENT TMS1002
Fig 4: Combination Meter - Circuit Diagram (4 Of 6)
G08777374Courtesy of © TOYOTA, LICENSE AGREEMENT TMS1002
Fig 5: Combination Meter - Circuit Diagram (5 Of 6)
G08777375Courtesy of © TOYOTA, LICENSE AGREEMENT TMS1002
Fig 6: Combination Meter - Circuit Diagram (6 Of 6)
G08777376Courtesy of © TOYOTA, LICENSE AGREEMENT TMS1002