LEMON Manuals: Even more car manuals for everyone: 1960-2025
Home >> Scion >> 2016 >> FR-S Automatic Trans >> Repair and Diagnosis (Single Page) >> Electrical >> Body Electrical >> OEM Junction Block, Ecu & Fuse/Relay Locations >> Junction Block Fuse, Relay & Circuit Identification >> Instrument Panel Junction Block Assembly - Instrument Panel Reinforcement >> Instrument Panel Junction Block Assembly Inner Circuit
April 5, 2026: LEMON Manuals is launched! Read the announcement.

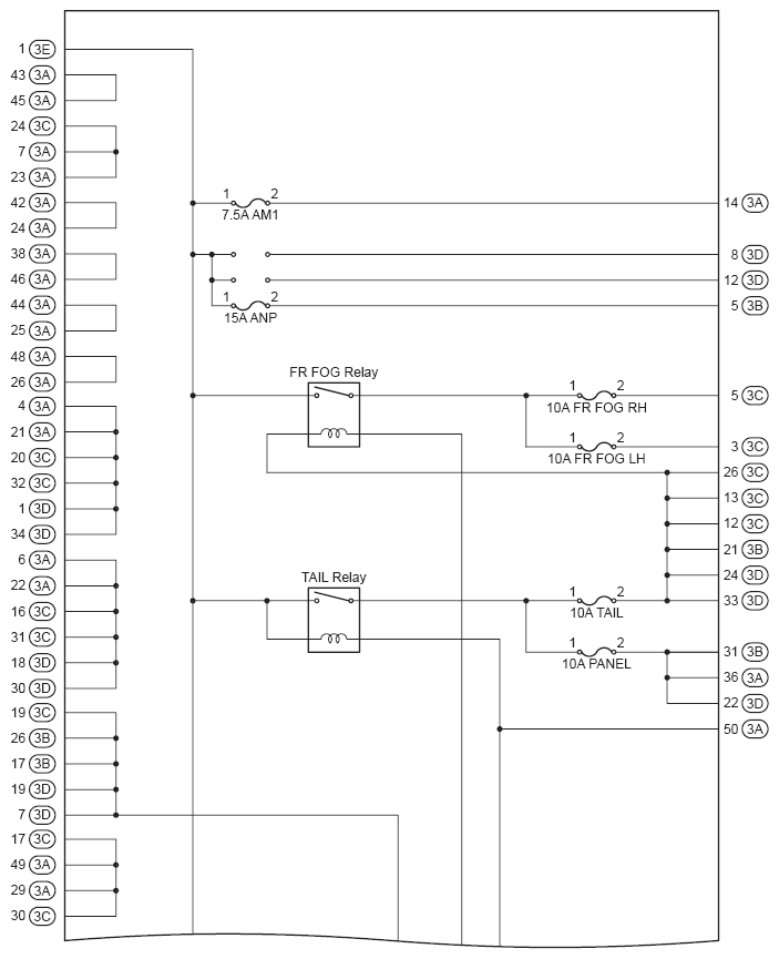
Instrument Panel Junction Block Assembly Inner Circuit

Fig 1: Instrument Panel J/B Assembly Inner Circuit Diagram (1 Of 5) With Relays
G08774045Courtesy of © TOYOTA, LICENSE AGREEMENT TMS1002
INSTRUMENT PANEL J/B INNER CIRCUIT RELAY IDENTIFICATION

RELAY DESCRIPTION
FR Fog Relay
Tail Relay
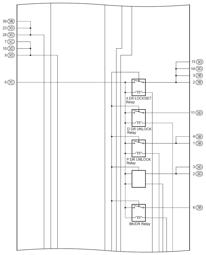
Fig 2: Instrument Panel J/B Assembly Inner Circuit Diagram (2 Of 5) With Relays
G08774046Courtesy of © TOYOTA, LICENSE AGREEMENT TMS1002
INSTRUMENT PANEL J/B INNER CIRCUIT RELAY IDENTIFICATION

RELAY DESCRIPTION
A DR LOCK/SET Relay
D DR Unlock Relay
P DR Unlock Relay
BK/DR Relay
Fig 3: Instrument Panel J/B Assembly Inner Circuit Diagram (3 Of 5) With Relays
G08774047Courtesy of © TOYOTA, LICENSE AGREEMENT TMS1002
INSTRUMENT PANEL J/B INNER CIRCUIT RELAY IDENTIFICATION

RELAY DESCRIPTION
ACC1 Relay
ACC2 Relay
IG1 No.1 Relay
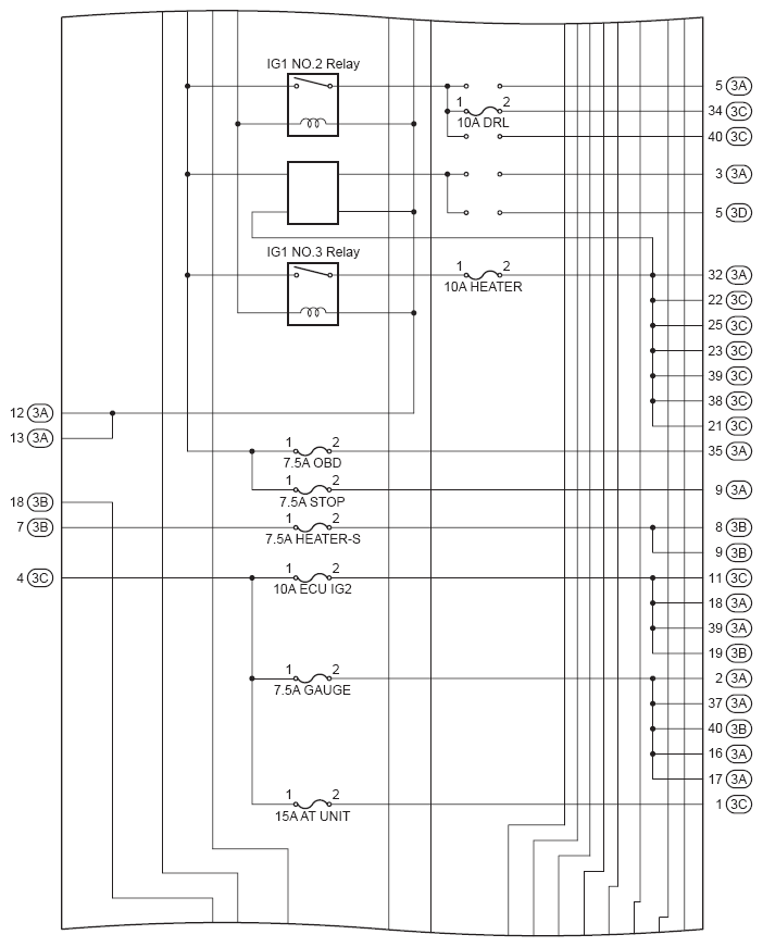
Fig 4: Instrument Panel J/B Assembly Inner Circuit Diagram (4 Of 5) With Relays
G08774048Courtesy of © TOYOTA, LICENSE AGREEMENT TMS1002
INSTRUMENT PANEL J/B INNER CIRCUIT RELAY IDENTIFICATION

RELAY DESCRIPTION
IG1 No.2 Relay
IG1 No.3 Relay
Fig 5: Instrument Panel J/B Assembly Inner Circuit Diagram (5 Of 5)
G08774049Courtesy of © TOYOTA, LICENSE AGREEMENT TMS1002