LEMON Manuals: Even more car manuals for everyone: 1960-2025
Home >> Scion >> 2016 >> FR-S Standard Trans >> Repair and Diagnosis (Single Page) >> Body & Frame >> Windows >> Power Window Control System (Diagnostics - Introduction) >> Power Window Control System >> System Diagram [05/2014 - ] >> System Diagram [05/2014 - ]
April 5, 2026: LEMON Manuals is launched! Read the announcement.

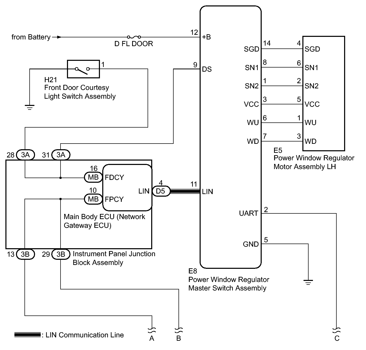
System Diagram [05/2014 - ]

Fig 1: Power Window Control System Diagram (1 Of 2)
GTY422617Courtesy of © TOYOTA, LICENSE AGREEMENT TMS1002
Fig 2: Power Window Control System Diagram (2 Of 2)
GTY420321Courtesy of © TOYOTA, LICENSE AGREEMENT TMS1002
COMMUNICATION TABLE

Transmitting ECU Receiving ECU Signal Communication Method
Power window regulator master switch assembly Power window regulator motor assembly Power window auto up and down signal Local communication
Power window regulator switch assembly Power window remote up and down signal Local communication
Power window regulator switch assembly Power window regulator motor assembly Power window auto up and down signal Local communication
Main Body ECU (Network Gateway ECU) Power window regulator master switch assembly Power window operation permission signal LIN