LEMON Manuals: Even more car manuals for everyone: 1960-2025
Home >> Scion >> 2016 >> iM Automatic CVT Trans >> Repair and Diagnosis (Single Page) >> Engine Performance >> System >> Engine Control System - Diagnostic Codes (P060A-P264A) >> SFI System >> DTC P10A0: VALVEMATIC Angle Difference(CSS); DTC P1055: VALVEMATIC Angle Difference (ECU) [06/2015 - ] >> Description
April 5, 2026: LEMON Manuals is launched! Read the announcement.

DTC P10A0: VALVEMATIC Angle Difference(CSS); DTC P1055: VALVEMATIC Angle Difference (ECU) [06/2015 - ]: Description

The VALVEMATIC system is able to continuously change the valve lift amount and valve timing. The VALVEMATIC system cooperates with the VVT-i to adjust the valve lift amount and valve timing optimally according to driving conditions. The ECM calculates the target intake air amount based on the amount the accelerator pedal is depressed and the engine speed to determine the valve lift amount (duration), valve timing and throttle valve opening angle. The continuously variable valve lift controller assembly operates the actuator to adjust the duration to the duration requested by the ECM via CAN communication. The actual operating conditions are monitored by the sensors in the continuously variable valve lift controller assembly, which sends the actual duration value to the ECM. The continuously variable valve lift controller assembly consists of the EDU, actuator, differential roller gear, angle sensor and position sensor.

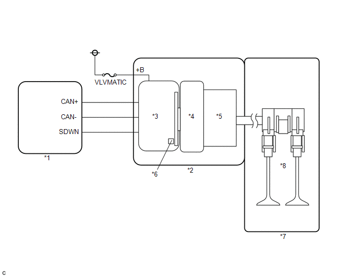
Fig 1: Valvematic System
GTY445709Courtesy of © TOYOTA, LICENSE AGREEMENT TMS1002
*1 ECM *2 Continuously Variable Valve Lift Controller Assembly
*3 EDU *4 Actuator
*5 Differential Roller Gear *6 Position Sensor and Angle Sensor
*7 Engine *8 Continuously Variable Valve Train
DTC No. Detection Item DTC Detection Condition Trouble Area MIL Memory
P1055 VALVEMATIC Angle Difference (ECU) The actual duration differs from the requested duration by 14.5°CA or higher for a certain period of time (1 trip detection logic).
  • Continuously variable valve lift controller assembly
  • Camshaft housing sub-assembly
Comes on DTC stored
P10A0 VALVEMATIC Angle Difference(CSS) The actual duration differs from the requested duration by 14.5°CA or higher for a certain period of time (1 trip detection logic).
  • Continuously variable valve lift controller assembly
  • Camshaft housing sub-assembly
Comes on DTC stored

Perform the following procedures to confirm that the VALVEMATIC system is operating normally.

  1. Connect the Techstream to the DLC3.
  2. Start the engine.
  3. Turn the Techstream on.
  4. Enter the following menus: Powertrain / Engine and ECT / Active Test / Activate the VALVEMATIC(ENG ON) / Gas Valve Control / VALVEMATIC Current Angle and VALVEMATIC Target Angle.
    NOTE:

    Make sure the following conditions are met when performing the Active Test.

    • The engine is running.
    • The engine coolant temperature is 40°C (104°F) or higher.
    • The vehicle is stationary.
    • The shift lever is in P or neutral.

    Result

    The "VALVEMATIC Current Angle" follows the "VALVEMATIC Target Angle".

HINT: 

Perform a simulation test by referring to the engine coolant temperature and intake air temperature recorded in the freeze frame data.

When the Active Test results are abnormal, remove the continuously variable valve lift controller assembly from the camshaft housing sub-assembly and perform the "Activate the VALVEMATIC(ENG OFF)" Active Test with the continuously variable valve lift controller assembly removed to determine whether the problem is with the continuously variable valve lift controller assembly or camshaft housing sub-assembly.