LEMON Manuals: Even more car manuals for everyone: 1960-2025
Home >> Scion >> 2016 >> iM Automatic CVT Trans >> Repair and Diagnosis (Single Page) >> Restraints >> Air Bag, SRS >> Occupant Classification System (Diagnostics And Symptom Tests) >> Occupant Classification System >> DTC B1793: Occupant Classification Sensor Power Supply Circuit Malfunction [06/2015 - ] >> Procedure
April 5, 2026: LEMON Manuals is launched! Read the announcement.

DTC B1793: Occupant Classification Sensor Power Supply Circuit Malfunction [06/2015 - ]: Procedure

  1. CHECK CONNECTORS 
    1. Turn the ignition switch off.
    2. Disconnect the cable from the negative (-) battery terminal.
    3. Check that the connectors are properly connected to the front occupant classification sensor LH, rear occupant classification sensor LH and occupant detection ECU.

      OK

      The connectors are properly connected.

      HINT: 

      If the connectors are not properly connected, reconnect the connectors and proceed to the next inspection.

    4. Disconnect the connectors from the front occupant classification sensor LH, rear occupant classification sensor LH and occupant detection ECU.
    5. Check that the terminals of the connectors are not deformed or damaged.

      OK

      The terminals are not deformed or damaged.

      Result

      Proceed to
      OK
      NG

    Result:  2

    NG 

    REPLACE FRONT SEAT WIRE RH 

    Result:  1

    OK 

    See step  2

  2. CHECK FRONT SEAT WIRE RH (SHORT TO B+) 
    1. Connect the cable to the negative (-) battery terminal.
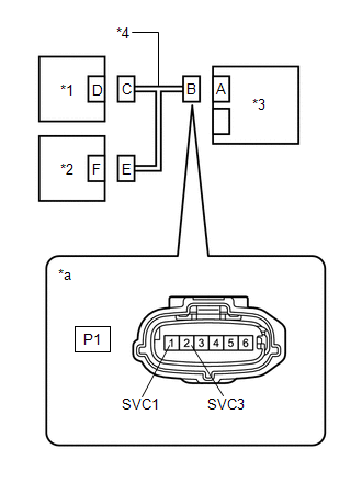
      GTY488133Courtesy of © TOYOTA, LICENSE AGREEMENT TMS1002
      *1 Front Occupant Classification Sensor LH
      *2 Rear Occupant Classification Sensor LH
      *3 Occupant Detection ECU
      *4 Front Seat Wire RH
      *a Front view of wire harness connector
      (to Occupant Detection ECU)
    2. Turn the ignition switch to ON.
    3. Measure the voltage according to the value(s) in the table below.

      Standard Voltage

      Tester Connection Condition Specified Condition
      P1-1 (SVC1) - Body ground Ignition switch ON Below 1 V
      P1-2 (SVC3) - Body ground Ignition switch ON Below 1 V
    4. Turn the ignition switch off.
    5. Disconnect the cable from the negative (-) battery terminal.

      Result

      Proceed to
      OK
      NG

    Result:  2

    NG 

    See step  11

    Result:  1

    OK 

    See step  3

  3. CHECK FRONT SEAT WIRE RH (SHORT) 
    1. Measure the resistance according to the value(s) in the table below.
      GTY488133Courtesy of © TOYOTA, LICENSE AGREEMENT TMS1002
      *1 Front Occupant Classification Sensor LH
      *2 Rear Occupant Classification Sensor LH
      *3 Occupant Detection ECU
      *4 Front Seat Wire RH
      *a Front view of wire harness connector
      (to Occupant Detection ECU)

      Standard Resistance

      Tester Connection Condition Specified Condition
      P1-1 (SVC1) - P1-2 (SVC3) Always 1 MΩ or higher

      Result

      Proceed to
      OK
      NG

    Result:  2

    NG 

    REPLACE FRONT SEAT WIRE RH 

    Result:  1

    OK 

    See step  4

  4. CHECK FRONT SEAT WIRE RH (SHORT TO GROUND) 
    1. Measure the resistance according to the value(s) in the table below.
      GTY488133Courtesy of © TOYOTA, LICENSE AGREEMENT TMS1002
      *1 Front Occupant Classification Sensor LH
      *2 Rear Occupant Classification Sensor LH
      *3 Occupant Detection ECU
      *4 Front Seat Wire RH
      *a Front view of wire harness connector
      (to Occupant Detection ECU)

      Standard Resistance

      Tester Connection Condition Specified Condition
      P1-1 (SVC1) - Body ground Always 1 MΩ or higher
      P1-2 (SVC3) - Body ground Always 1 MΩ or higher

      Result

      Proceed to
      OK
      NG

    Result:  2

    NG 

    REPLACE FRONT SEAT WIRE RH 

    Result:  1

    OK 

    See step  5

  5. CHECK DTC 
    1. Connect the connectors to the occupant detection ECU, front occupant classification sensor LH and rear occupant classification sensor LH.
    2. Connect the cable to the negative (-) battery terminal.
    3. Clear the DTCs stored in the occupant detection ECU.

      Refer to DTC CHECK / CLEAR [06/2015 - ]

      Body Electrical > Occupant Detection > Clear DTCs 

    4. Clear the DTCs stored in the airbag sensor assembly.

      Refer to DTC CHECK / CLEAR [06/2015 - ]

      Body Electrical > SRS Airbag > Clear DTCs 

    5. Turn the ignition switch off.
    6. Turn the ignition switch to ON, and wait for at least 10 seconds.
    7. Check for DTCs.

      Refer to DTC CHECK / CLEAR [06/2015 - ]

      Body Electrical > Occupant Detection > Trouble Codes 

      OK

      DTC B1793 is not output.

      HINT: 

      Codes other than DTC B1793 may be output at this time, but they are not related to this check.

    8. Turn the ignition switch off.

      Result

      Proceed to
      OK
      NG

    Result:  1

    OK 

    USE SIMULATION METHOD TO CHECK. Refer to  HOW TO PROCEED WITH TROUBLESHOOTING [06/2015 - ] 

    Result:  2

    NG 

    See step  6

  6. CHECK OCCUPANT DETECTION ECU 
    1. Disconnect the cable from the negative (-) battery terminal.
    2. Replace the occupant detection ECU with a known good one.

      Refer to REMOVAL [06/2015 - ]

      HINT: 

      Perform the following inspection using known good parts from another vehicle if possible.

    3. Connect the cable to the negative (-) battery terminal.
    4. Clear the DTCs stored in the occupant detection ECU.

      Refer to DTC CHECK / CLEAR [06/2015 - ]

      Body Electrical > Occupant Detection > Clear DTCs 

    5. Clear the DTCs stored in the airbag sensor assembly.

      Refer to DTC CHECK / CLEAR [06/2015 - ]

      Body Electrical > SRS Airbag > Clear DTCs 

    6. Turn the ignition switch off.
    7. Turn the ignition switch to ON, and wait for at least 10 seconds.
    8. Check for DTCs.

      Refer to DTC CHECK / CLEAR [06/2015 - ]

      Body Electrical > Occupant Detection > Trouble Codes 

      OK

      DTC B1793 is not output.

      HINT: 

      Codes other than DTC B1793 may be output at this time, but they are not related to this check.

    9. Turn the ignition switch off.
    10. Disconnect the cable from the negative (-) battery terminal.
    11. Restore the occupant detection ECU that was installed for testing to its original location.

      Refer to REMOVAL [06/2015 - ]

      Result

      Proceed to
      OK
      NG

    Result:  2

    NG 

    See step  9

    Result:  1

    OK 

    See step  7

  7. REPLACE OCCUPANT DETECTION ECU 
    1. Turn the ignition switch off.
    2. Disconnect the cable from the negative (-) battery terminal.
    3. Replace the occupant detection ECU with a new one.

      Refer to REMOVAL [06/2015 - ]

    4. Connect the cable to the negative (-) battery terminal.

      Result

      Proceed to
      NEXT

    Result:  1

    NEXT 

    See step  8

  8. PERFORM ZERO POINT CALIBRATION AND SENSITIVITY CHECK 
    1. Using the Techstream, perform zero point calibration and sensitivity check.

      Refer to INITIALIZATION [06/2015 - ]

      Body Electrical > Occupant Detection > Utility 

      Tester Display
      Zero Point Calibration & Sensitivity Check

      Result

      Proceed to
      NEXT

    Result:  1

    NEXT 

    END 

  9. REPLACE FRONT SEAT ADJUSTER ASSEMBLY RH 
    1. Turn the ignition switch off.
    2. Disconnect the cable from the negative (-) battery terminal.
    3. Replace the front seat adjuster assembly RH.

      Refer to REMOVAL [06/2015 - ]

    4. Connect the cable to the negative (-) battery terminal.

      Result

      Proceed to
      NEXT

    Result:  1

    NEXT 

    See step  10

  10. PERFORM ZERO POINT CALIBRATION AND SENSITIVITY CHECK 
    1. Using the Techstream, perform zero point calibration and sensitivity check.

      Refer to INITIALIZATION [06/2015 - ]

      Body Electrical > Occupant Detection > Utility 

      Tester Display
      Zero Point Calibration & Sensitivity Check

      Result

      Proceed to
      NEXT

    Result:  1

    NEXT 

    END 

  11. REPLACE FRONT SEAT ADJUSTER ASSEMBLY RH 
    1. Replace the front seat adjuster assembly RH.

      Refer to REMOVAL [06/2015 - ]

      NOTE:

      Replace the front seat wire RH at the same time.

      HINT: 

      When the front seat wire RH has a short to B+, the front occupant classification sensor LH or rear occupant classification sensor LH will be damaged. Therefore, replace the front seat wire RH and the front seat adjuster assembly RH, which includes the front occupant classification sensor LH and rear occupant classification sensor LH.

    2. Connect the cable to the negative (-) battery terminal.

      Result

      Proceed to
      NEXT

    Result:  1

    NEXT 

    See step  12

  12. PERFORM ZERO POINT CALIBRATION AND SENSITIVITY CHECK 
    1. Using the Techstream, perform zero point calibration and sensitivity check.

      Refer to INITIALIZATION [06/2015 - ]

      Body Electrical > Occupant Detection > Utility 

      Tester Display
      Zero Point Calibration & Sensitivity Check

      Result

      Proceed to
      NEXT

    Result:  1

    NEXT 

    END