LEMON Manuals: Even more car manuals for everyone: 1960-2025
Home >> Scion >> 2016 >> iM Automatic CVT Trans >> Repair and Diagnosis (Single Page) >> Transmission >> Automatic Trans >> CVT System - Diagnostic Codes & Circuit Tests >> Continuously Variable Transaxle System >> Circuit Tests >> Transmission Control Switch Circuit [06/2015 - ] >> Wiring Diagram
April 5, 2026: LEMON Manuals is launched! Read the announcement.

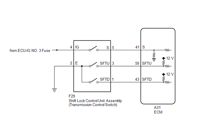
Transmission Control Switch Circuit [06/2015 - ]: Wiring Diagram

Fig 1: Shift Lock Control Unit Wiring Diagram
GTY489967Courtesy of © TOYOTA, LICENSE AGREEMENT TMS1002