LEMON Manuals: Even more car manuals for everyone: 1960-2025
Home >> Smart >> 2017 >> Fortwo Proxy, 2D Convertible, Standard Trans >> Repair and Diagnosis (Single Page) >> Electrical >> Charging Systems >> Electrical System, Equipment & Instruments - 453 Chassis - 3 Of 3 >> Wiring Diagrams >> Wiring Diagram For Signal Acquisition And Actuation Module (SAM) Control Unit >> Wiring Diagram For Signal Acquisition And Actuation Module (SAM) Control Unit - PE54.21-P-2127-97BBB
April 5, 2026: LEMON Manuals is launched! Read the announcement.

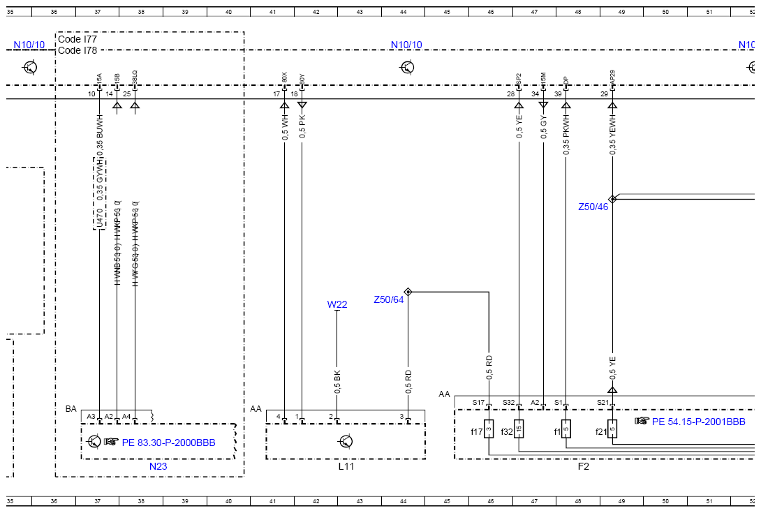
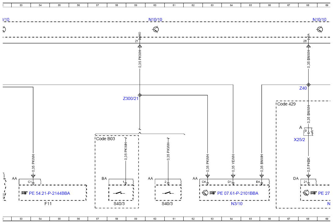
Wiring Diagram For Signal Acquisition And Actuation Module (SAM) Control Unit - PE54.21-P-2127-97BBB

MODEL 453.0 (except 453.091), 453.3 (except 453.391), 453.4 (except 453.491) up to model year 2020 N10/10, connector S1 

Code: Designation: Position:
A0 Use of wiring diagrams 121L
Code 220 Rear parking assist 97F
Code 252 Collision warning system (FCW) 29D
Code 429 twinamic 92F
Code 429 twinamic 66F
Code 460 Canada version 10G
Code 494 USA version 10G
Code B03 Direct starting 57G
Code 177 Manual air conditioning 36A
Code 178 Heating system 36A
E3 Left rear lamp unit 104L
E4 Right rear lamp unit 90L
F11 Combustion engine fuse and relay module 54L
F2 Vehicle interior fuse and relay module 48L
F2 Vehicle interior fuse and relay module 82L
F2f1 Fuse 1 47K
F2f17 Fuse 17 46K
F2f21 Fuse 21 48K
F2f22 Fuse 22 80K
F2f32 Fuse 32 46K
L11 Transponder coil 43L
M6/4 Tailgate wiper motor 34L
N10/10 Center SAM control unit 4A
N10/10 Center SAM control unit 12A
N10/10 Center SAM control unit 20A
N10/10 Center SAM control unit 28A
N10/10 Center SAM control unit 35A
N10/10 Center SAM control unit 44A
N10/10 Center SAM control unit 52A
N10/10 Center SAM control unit 60A
N10/10 Center SAM control unit 68A
N10/10 Center SAM control unit 76A
N10/10 Center SAM control unit 84A
N10/10 Center SAM control unit 92A
N10/10 Center SAM control unit 100A
N10/10 Center SAM control unit 107A
N10/10 Center SAM control unit 113A
N10/11 Driver SAM control unit 8L
N15/13 Double clutch transmission control unit 69L
N15/5 Electronic selector lever module control unit 94L
N23 Climate control and operating unit 38L
N3/10 ME-SFI [ME] control unit 64L
N62 Parking system control unit 99L
S29/5 Backup light activation/idle recognition switch 86L
S4 Combination switch 3L
S4/4 Windshield wiper system switch 27L
S40/3 Clutch pedal switch 58L
S40/3 Clutch pedal switch 61L
S6/1 Instrument panel switch group 17L
S6/1e3 Central locking indicator lamp 18L
S6/1e4 Hazard warning system indicator lamp 20L
S6/1e5 Instrument panel switch group symbol illumination 17L
S6/1s1 Hazard warning system switch 20L
S6/1s2 Inside door handle central locking switch 16L
S9/1 Stop lamp switch 74L
U103 Valid without code V19 20D
U470 Valid for model 453.0 24K
U470 Valid for model 453.0 33H
U470 Valid for model 453.0 4E
U470 Valid for model 453.0 16E
U470 Valid for model 453.0 19F
U470 Valid for model 453.0 18E
U470 Valid for model 453.0 13C
U470 Valid for model 453.0 33D
U470 Valid for model 453.0 27E
U470 Valid for model 453.0 37E
U470 Valid for model 453.0 89H
U470 Valid for model 453.0 75E
U470 Valid for model 453.0 108A
U471 Valid for model 453.3 33H
U471 Valid for model 453.3 15C
U472 Valid for model 453.4 15C
W1/3 Left cockpit ground point 6L
W22 Ground point 42G
X25/2 Engine compartment/vehicle interior electrical connector 68H
X26 Vehicle interior/engine wiring harness electrical connector 84H
X42/37 ATA alarm siren electrical connector 23L
X8/4 Trunk lid electrical connector 34F
Z111/6 Circuit 58 connector sleeve 8H
Z30/7 Hazard warning system connector sleeve 22E
Z300/21 Clutch pedal switch signal connector sleeve 59E
Z37/17 CAN bus (low) connector sleeve 31G
Z37/18 CAN databus (high) connector sleeve 32G
Z37/19 CAN bus (low) connector sleeve 31G
Z37/20 CAN databus (high) connector sleeve 32G
Z37/21 CAN bus (low) connector sleeve 77G
Z37/22 CAN databus (high) connector sleeve 78G
Z38 Backup lamp connector sleeve 99E
Z40 Stop lamp signal connector sleeve 68E
Z40/3 Stop lamp connector sleeve 76F
Z50/46 Circuit 15 (fused) connector sleeve 48E
Z50/48 Circuit 15 (fused) connector sleeve 84E
Z50/64 Circuit 30 (fused) connector sleeve 44G
Z55/5 Central locking warning lamp connector sleeve 21E
Z6/150 Ground connection connector sleeve 5H
Z6/152 Ground connection connector sleeve 5E
Z7/89 Line signal connector sleeve 113E
Z81z1 Circuit 58d connector sleeve 12H
G12094189Courtesy of MERCEDES-BENZ USA
G12094190Courtesy of MERCEDES-BENZ USA
G12094191Courtesy of MERCEDES-BENZ USA
G12094192Courtesy of MERCEDES-BENZ USA
G12094193Courtesy of MERCEDES-BENZ USA
G12094194Courtesy of MERCEDES-BENZ USA
G12094195Courtesy of MERCEDES-BENZ USA
G12094196Courtesy of MERCEDES-BENZ USA