LEMON Manuals: Even more car manuals for everyone: 1960-2025
Home >> Smart >> 2017 >> Fortwo Proxy, 2D Convertible, Standard Trans >> Repair and Diagnosis (Single Page) >> Electrical >> Charging Systems >> Electrical System, Equipment & Instruments - 453 Chassis - 3 Of 3 >> Wiring Diagrams >> Wiring Diagram For Signal Acquisition And Actuation Module (SAM) Control Unit >> Wiring Diagram For Signal Acquisition And Actuation Module (SAM) Control Unit - PE54.21-P-2127-97BEB
April 5, 2026: LEMON Manuals is launched! Read the announcement.

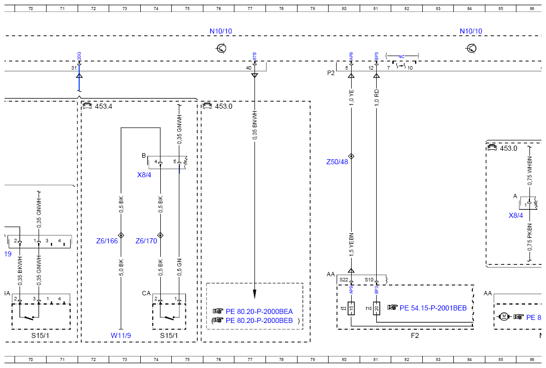
Wiring Diagram For Signal Acquisition And Actuation Module (SAM) Control Unit - PE54.21-P-2127-97BEB

MODEL 453.091/391/491 up to model year 2020 N10/10 

Code: Designation: Position:
A0 Use of wiring diagrams 178L
A67 Inside rearview mirror 51L
A90 Controller unit for distance warning function with active brake intervention 43L
Code 220 Rear parking assist 158G
Code 238 ACTIVE LANE KEEPING ASSIST 107E
Code 258 Active Brake Assist 41C
Code 429 twinamic 154G
Code 460 Canada version 21F
Code 460 Canada version 49D
Code 494 USA version 21F
Code 494 USA version 49D
Code 908 On-board charger 22kW 45K
Code V19 Anti-theft alarm system 30H
E3 Left rear lamp unit 164L
E4 Right rear lamp unit 168L
F2 Vehicle interior fuse and relay module 3L
F2 Vehicle interior fuse and relay module 29L
F2 Vehicle interior fuse and relay module 82L
F2 Vehicle interior fuse and relay module 97L
F2f1 Fuse 1 94K
F2f10 Fuse 10 81K
F2f11 Fuse 11 3K
F2f12 Fuse 12 3K
F2f13 Fuse 13 2K
F2f17 Fuse 17 97K
F2f21 Fuse 21 96K
F2f22 Fuse 22 80K
F2f32 Fuse 32 94K
F2k1 Heated rear window/outside mirrors relay 96J
H3/1 Alarm siren 40L
L11 Transponder coil 106L
M14/7 Rear-end door central locking motor 59L
M14/7 Rear-end door central locking motor 54L
M6/4 Tailgate wiper motor 86L
M6/4 Tailgate wiper motor 143L
N10/10 Center SAM control unit 4A
N10/10 Center SAM control unit 12A
N10/10 Center SAM control unit 20A
N10/10 Center SAM control unit 28A
N10/10 Center SAM control unit 36A
N10/10 Center SAM control unit 44A
N10/10 Center SAM control unit 52A
N10/10 Center SAM control unit 60A
N10/10 Center SAM control unit 68A
N10/10 Center SAM control unit 76A
N10/10 Center SAM control unit 84A
N10/10 Center SAM control unit 92A
N10/10 Center SAM control unit 100A
N10/10 Center SAM control unit 108A
N10/10 Center SAM control unit 116A
N10/10 Center SAM control unit 124A
N10/10 Center SAM control unit 132A
N10/10 Center SAM control unit 140A
N10/10 Center SAM control unit 173A
N10/10 Center SAM control unit 148A
N10/10 Center SAM control unit 156A
N10/10 Center SAM control unit 164A
N10/11 Driver SAM control unit 102L
N10/11 Driver SAM control unit 125L
N127 Electric drive control unit 147L
N15/5 Electronic selector lever module control unit 156L
N62 Parking system control unit 160L
S15/1 Trunk lid/liftgate release switch 74L
S15/1 Trunk lid/liftgate release switch 66L
S15/1 Trunk lid/liftgate release switch 70L
S15/3 Driver trunk lid/liftgate control button 24L
S4 Combination switch 118L
S4/4 Windshield wiper system switch 139L
S6/1 Instrument panel switch group 130L
S6/10 Economy mode switch 15L
S6/1e3 Central locking indicator lamp 131L
S6/1e4 Hazard warning system indicator lamp 132L
S6/1e5 Instrument panel switch group symbol illumination 130L
S6/1s1 Hazard warning system switch 133L
S6/1s2 Inside door handle central locking switch 129L
S85/4 EDW switch, battery 35L
S88/6 Trunk lid contact switch, right 62L
S88/6 Trunk lid contact switch, right 56L
S88/6x1 Trunk lid contact switch electrical connector, right 56H
S88/6x1 Trunk lid contact switch electrical connector, right 61H
S9/1 Stop lamp switch 151L
U103 Valid without code V19 39E
U103 Valid without code V19 133C
U222 Valid for Korea 21F
U427 Valid for charger (7 kW) 45J
W1/3 Left cockpit ground point 5H
W1/3 Left cockpit ground point 123L
W11/9 Left rear ground point 73L
W11/9 Left rear ground point 64L
W11/9 Left rear ground point 64L
W22 Ground point 106H
W9 Left front ground point (at lamp unit) 38L
X19 Rear window heater electrical connector 69H
X31/3 Dome lamp electrical connector 50H
X42/37 ATA alarm siren electrical connector 39H
X42/37 ATA alarm siren electrical connector 136L
X8/4 Trunk lid electrical connector 59H
X8/4 Trunk lid electrical connector 87G
X8/4 Trunk lid electrical connector 85G
X8/4 Trunk lid electrical connector 55F
X8/4 Trunk lid electrical connector 61F
X8/4 Trunk lid electrical connector 66F
X8/4 Trunk lid electrical connector 66F
X8/4 Trunk lid electrical connector 74F
X8/4 Trunk lid electrical connector 142G
X8/4 Trunk lid electrical connector 144G
X85/18 Vehicle interior/vehicle front electrical connector 42G
Z111/6 Circuit 58 connector sleeve 125G
Z131/2 Time-controlled interior illumination connector sleeve 11G
Z158/10 Central locking trunk lid signal connector sleeve 50F
Z24 ATA [EDW] engine hood connector sleeve 34E
Z30/1 Left turn signal indicator connector sleeve 8G
Z30/2 Right turn signal indicator connector sleeve 9G
Z30/7 Hazard warning system connector sleeve 135E
Z37/17 CAN bus (low) connector sleeve 108H
Z37/18 CAN databus (high) connector sleeve 110H
Z37/19 CAN bus (low) connector sleeve 109G
Z37/20 CAN databus (high) connector sleeve 110G
Z37/21 CAN bus (low) connector sleeve 111G
Z37/22 CAN databus (high) connector sleeve 112G
Z38 Backup lamp connector sleeve 160E
Z40 Stop lamp signal connector sleeve 147E
Z40/3 Stop lamp connector sleeve 153G
Z50/46 Circuit 15 (fused) connector sleeve 96E
Z50/48 Circuit 15 (fused) connector sleeve 80E
Z50/64 Circuit 30 (fused) connector sleeve 105G
Z55/5 Central locking warning lamp connector sleeve 133E
Z6/150 Ground connection connector sleeve 4E
Z6/150 Ground connection connector sleeve 123G
Z6/151 Ground connection connector sleeve 14G
Z6/152 Ground connection connector sleeve 121G
Z6/152 Ground connection connector sleeve 119G
Z6/161 Ground connection connector sleeve 38G
Z6/162 Ground connection connector sleeve 36E
Z6/166 Circuit 31 connector sleeve 63H
Z6/166 Circuit 31 connector sleeve 72H
Z6/167 Circuit 31 connector sleeve 63H
Z6/168 Circuit 31 connector sleeve 65H
Z6/169 Circuit 31 connector sleeve 68L
Z6/170 Ground connection connector sleeve 74H
Z7/89 Line signal connector sleeve 175G
Z81z3 Circuit 58d connector sleeve 19G
Z81z4 Circuit 58d connector sleeve 19E
Z99/2 Wake-up signal connector sleeve 47G
G12094211Courtesy of MERCEDES-BENZ USA
G12094212Courtesy of MERCEDES-BENZ USA
G12094213Courtesy of MERCEDES-BENZ USA
G12094214Courtesy of MERCEDES-BENZ USA
G12094215Courtesy of MERCEDES-BENZ USA
G12094216Courtesy of MERCEDES-BENZ USA
G12094217Courtesy of MERCEDES-BENZ USA
G12094218Courtesy of MERCEDES-BENZ USA
G12094219Courtesy of MERCEDES-BENZ USA
G12094220Courtesy of MERCEDES-BENZ USA
G12094221Courtesy of MERCEDES-BENZ USA