LEMON Manuals: Even more car manuals for everyone: 1960-2025
Home >> Subaru >> 2002 >> Forester Base >> Repair and Diagnosis >> Brakes >> Traction Control >> Abs Diagnostics >> Control Module I/O Signal >> Schematic
April 5, 2026: LEMON Manuals is launched! Read the announcement.

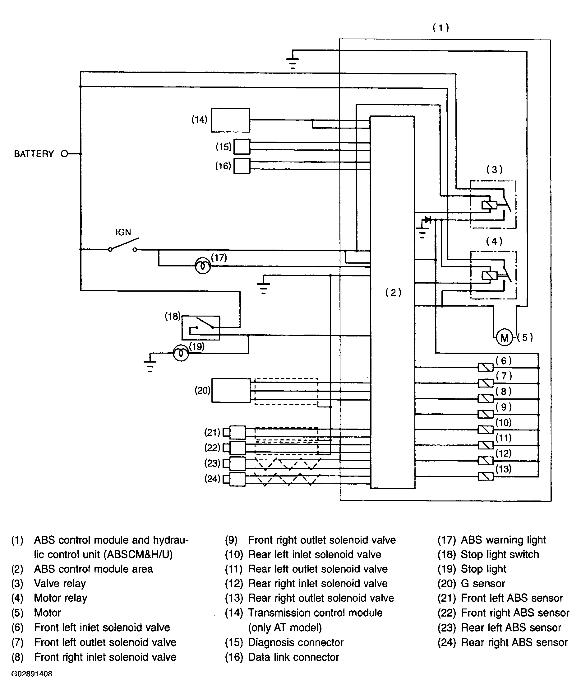
Control Module I/O Signal: Schematic

Fig 1: Control Module I/O Signal Schematic
G02891408Courtesy of SUBARU OF AMERICA, INC.