LEMON Manuals: Even more car manuals for everyone: 1960-2025
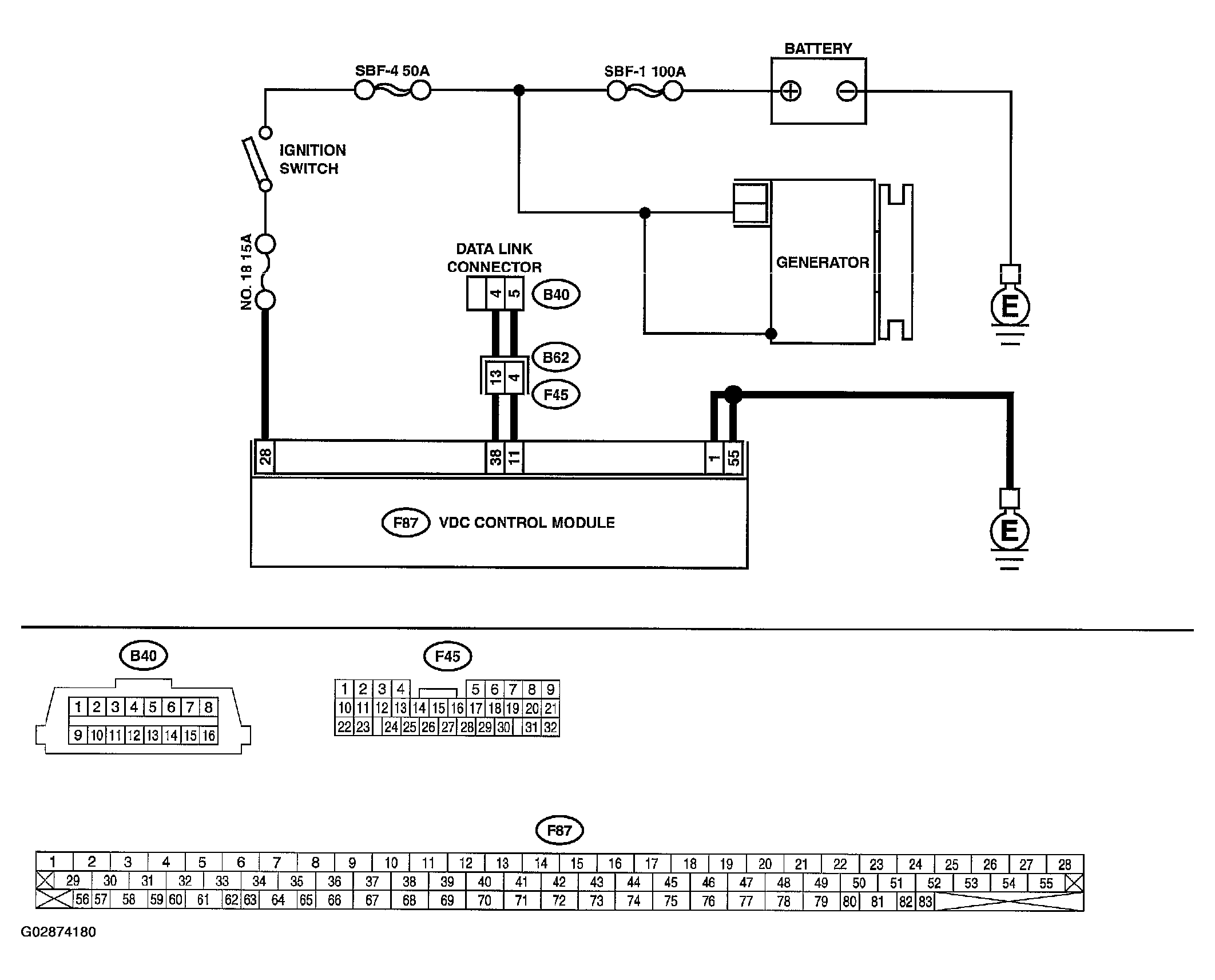
Home >> Subaru >> 2003 >> Outback Base, 4D Sedan >> Repair and Diagnosis (Single Page) >> Brakes >> Traction Control >> Anti-Lock Brake Control System - Vehicle Dynamics Control (VDC) (Diagnostics) >> Diagnostics Chart with Select Monitor >> Communication For Initializing Impossible (Select Monitor Communication Failure) >> Wiring Diagram:
April 5, 2026: LEMON Manuals is launched! Read the announcement.

Wiring Diagram:

Fig 1: Wiring Diagram
G02874180Courtesy of SUBARU OF AMERICA, INC.