LEMON Manuals: Even more car manuals for everyone: 1960-2025
Home >> Subaru >> 2003 >> Outback Base, 4D Sedan >> Repair and Diagnosis (Single Page) >> Transmission >> Transmission Control Systems >> A/T & M/T Control Systems >> AT Shift Lock System >> Inspection >> Select Lever Shift Lock Cannot Be Released Wiring Diagram:
April 5, 2026: LEMON Manuals is launched! Read the announcement.

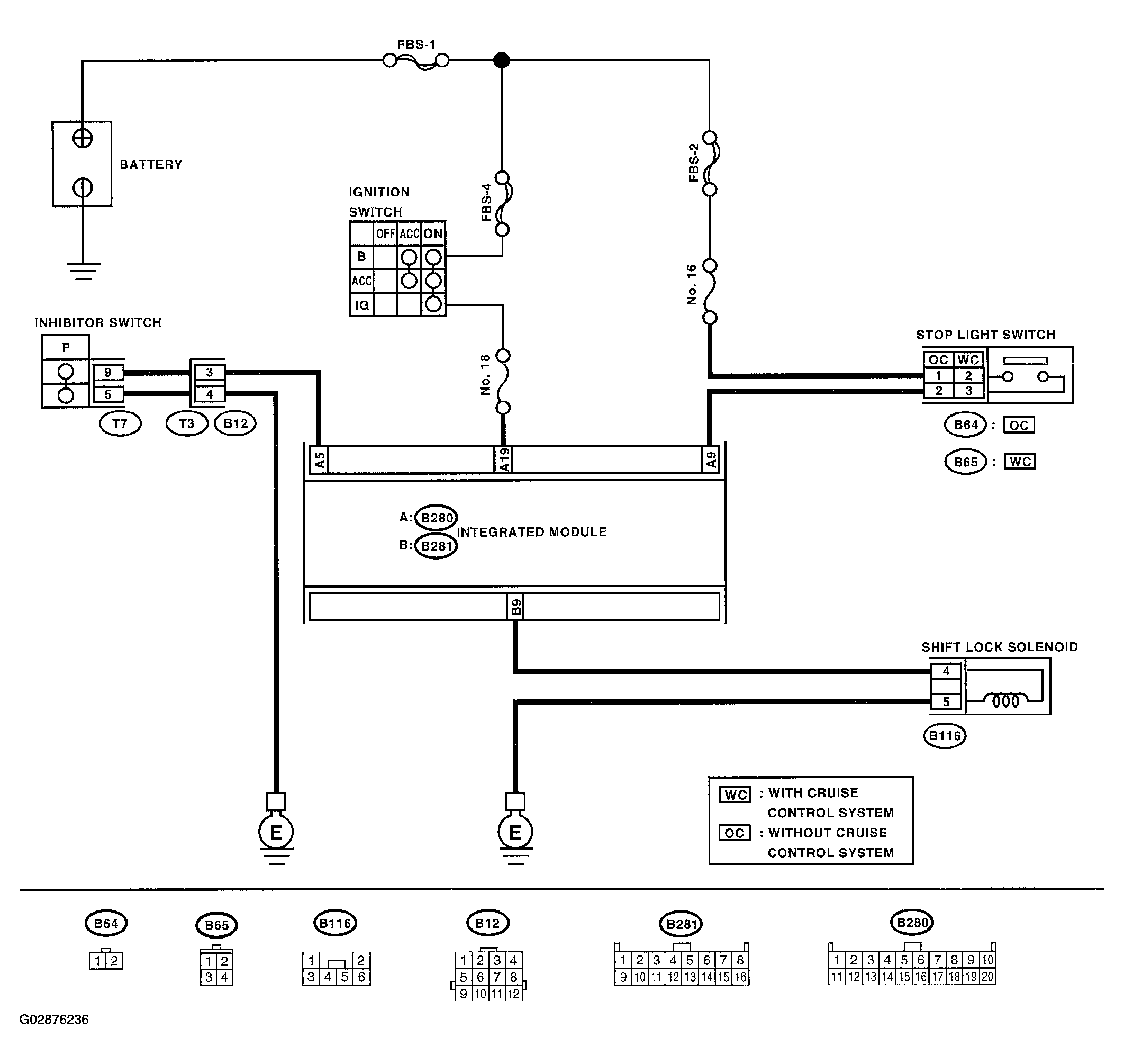
Select Lever Shift Lock Cannot Be Released Wiring Diagram:

Fig 1: Select Lever Shift Lock Cannot Be Released Wiring Diagram
G02876236Courtesy of SUBARU OF AMERICA, INC.
Fig 2: Select Lever Shift Lock Cannot Be Released Inspection Chart (1 Of 3)
G02876237Courtesy of SUBARU OF AMERICA, INC.
Fig 3: Select Lever Shift Lock Cannot Be Released Inspection Chart (2 Of 3)
G02876238Courtesy of SUBARU OF AMERICA, INC.
Fig 4: Select Lever Shift Lock Cannot Be Released Inspection Chart (3 Of 3)
G02876239Courtesy of SUBARU OF AMERICA, INC.