LEMON Manuals: Even more car manuals for everyone: 1960-2025
Home >> Subaru >> 2004 >> Baja Base, Automatic >> Repair and Diagnosis (Single Page) >> Brakes >> Traction Control >> Anti-Lock Brake Control System - Vehicle Dynamics Control (VDC) (Diagnostics) >> Diagnostics Chart with Select Monitor >> Communication For Initializing Impossible (Select Monitor Communication Failure) >> Wiring Diagram
April 5, 2026: LEMON Manuals is launched! Read the announcement.

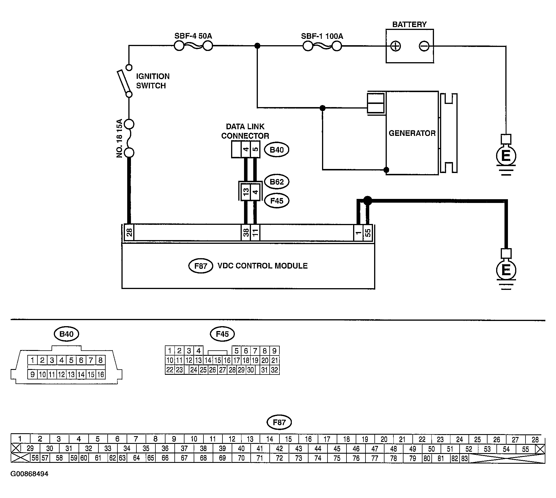
Communication For Initializing Impossible (Select Monitor Communication Failure): Wiring Diagram

Fig 1: Communication For Initializing Impossible (Select Monitor Communication Failure) Wiring Diagram
G00868494Courtesy of SUBARU OF AMERICA, INC.