LEMON Manuals: Even more car manuals for everyone: 1960-2025
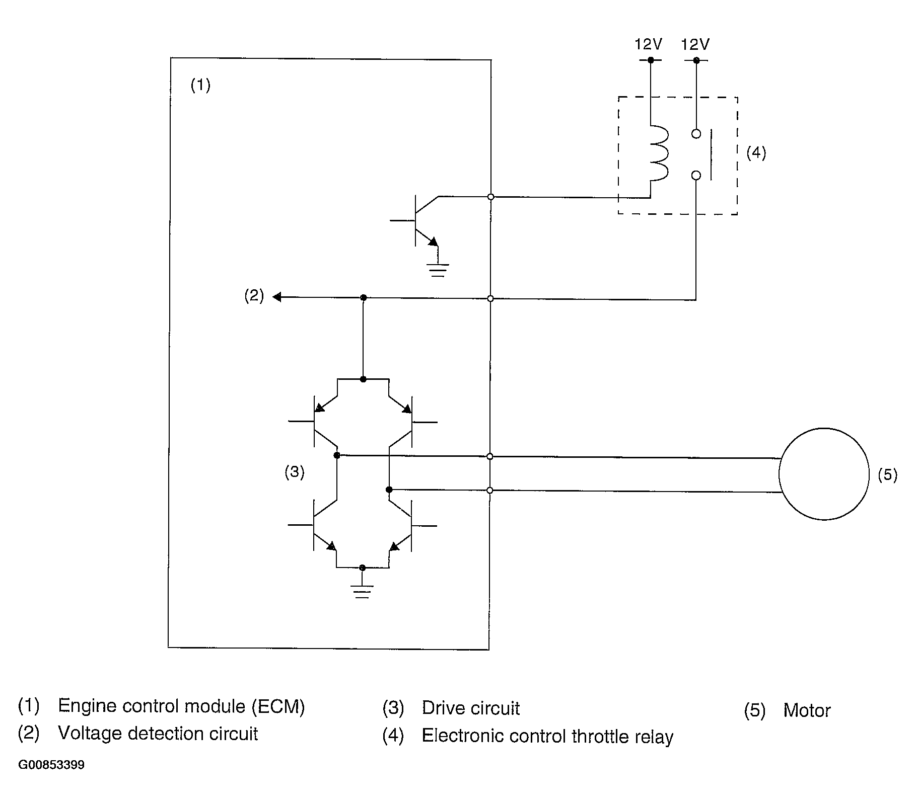
Home >> Subaru >> 2004 >> Baja Base, Automatic >> Repair and Diagnosis (Single Page) >> Engine Performance >> System >> Diagnostic Trouble Code (DTC) Detecting Criteria (H4SO U5 (PZEV)) >> Diagnostic Trouble Code (DTC) Detecting Criteria >> DTC P2102: Throttle Actuator Control Motor Circuit Low >> Component Description
April 5, 2026: LEMON Manuals is launched! Read the announcement.

Component Description

Fig 1: Throttle Actuator Control Motor Circuit Low
G00853399Courtesy of SUBARU OF AMERICA, INC.