LEMON Manuals: Even more car manuals for everyone: 1960-2025
Home >> Subaru >> 2004 >> Baja Base, Automatic >> Repair and Diagnosis (Single Page) >> Engine Performance >> System >> Diagnostic Trouble Code (DTC) Detecting Criteria (H4SO) >> Diagnostic Trouble Code (DTC) Detecting Criteria >> DTC P1516: ISC Solenoid Valve Signal #4 Circuit Malfunction (Low Input) >> Component Description
April 5, 2026: LEMON Manuals is launched! Read the announcement.

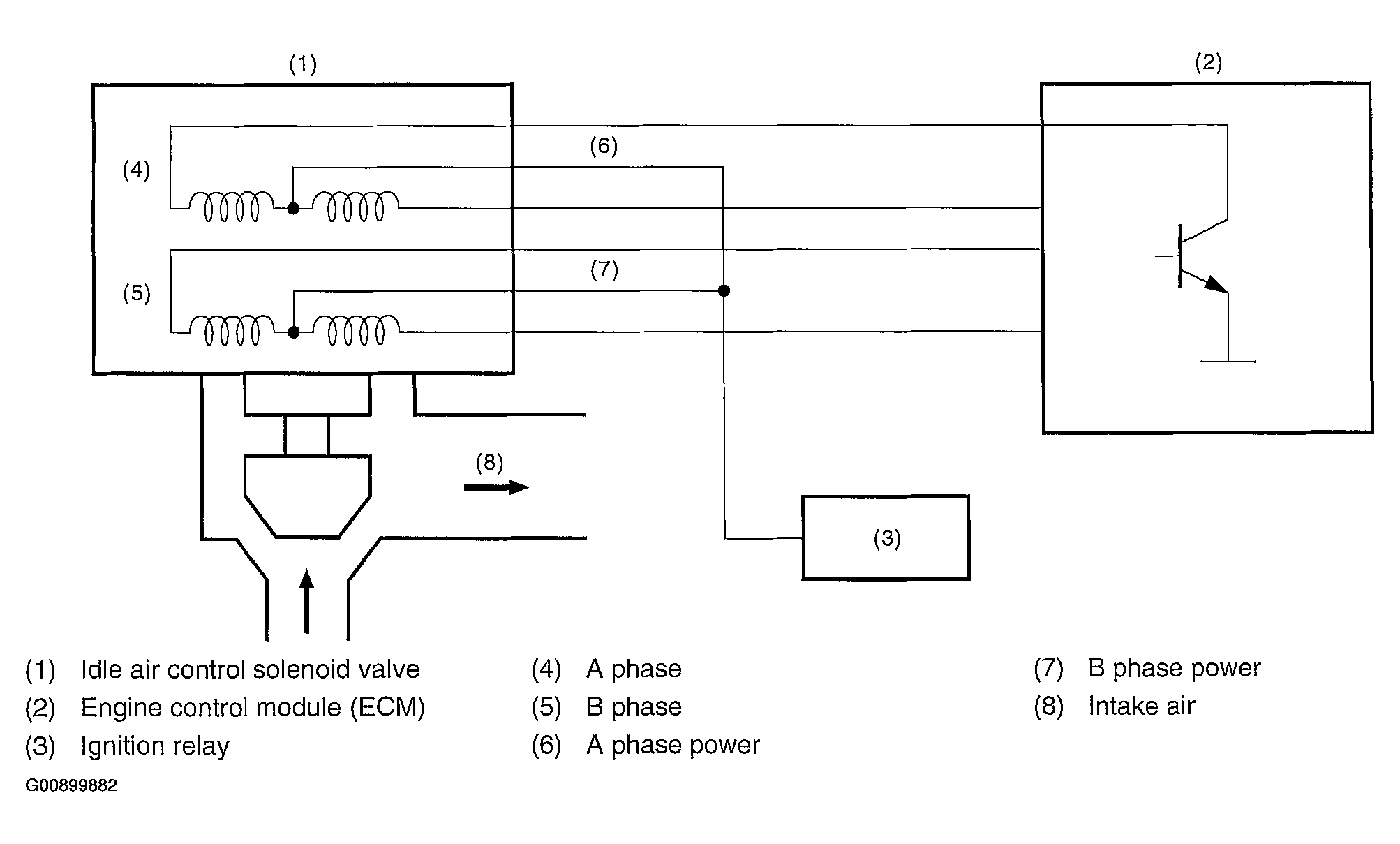
Component Description

Fig 1: Identifying Component Description
G00899882Courtesy of SUBARU OF AMERICA, INC.