LEMON Manuals: Even more car manuals for everyone: 1960-2025
Home >> Subaru >> 2004 >> Baja Base, Automatic >> Repair and Diagnosis (Single Page) >> Engine Performance >> System >> Engine (Diagnostics) (H4SO U5 (PZEV)) >> Diagnostic Procedure with Diagnostic Trouble Code (DTC) >> DTC P0604: Internal Control Module Random Access Memory (Ram) Error >> Wiring Diagram
April 5, 2026: LEMON Manuals is launched! Read the announcement.

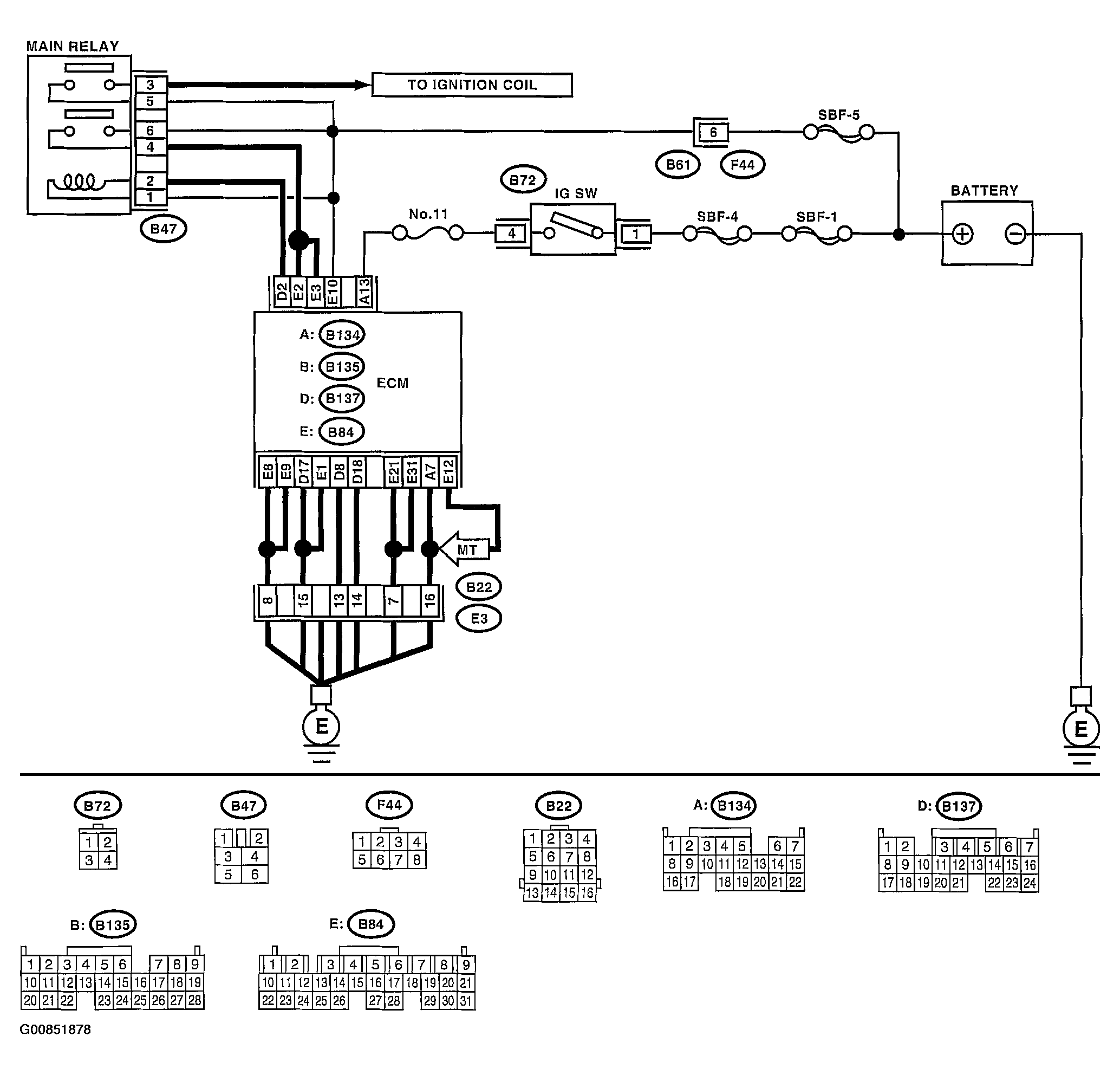
DTC P0604: Internal Control Module Random Access Memory (Ram) Error: Wiring Diagram

Fig 1: DTC P0604 - Internal Control Module Random Access Memory (RAM) Error - Wiring Diagram
G00851878Courtesy of SUBARU OF AMERICA, INC.