LEMON Manuals: Even more car manuals for everyone: 1960-2025
Home >> Subaru >> 2004 >> Baja Base, Automatic >> Repair and Diagnosis (Single Page) >> Engine Performance >> Theory and Operation >> Diagnostic Trouble Code (DTC) Detecting Criteria (H4SO U5 (PZEV)) >> Diagnostic Trouble Code (DTC) Detecting Criteria >> DTC P0607: Control Module Performance >> Component Description
April 5, 2026: LEMON Manuals is launched! Read the announcement.

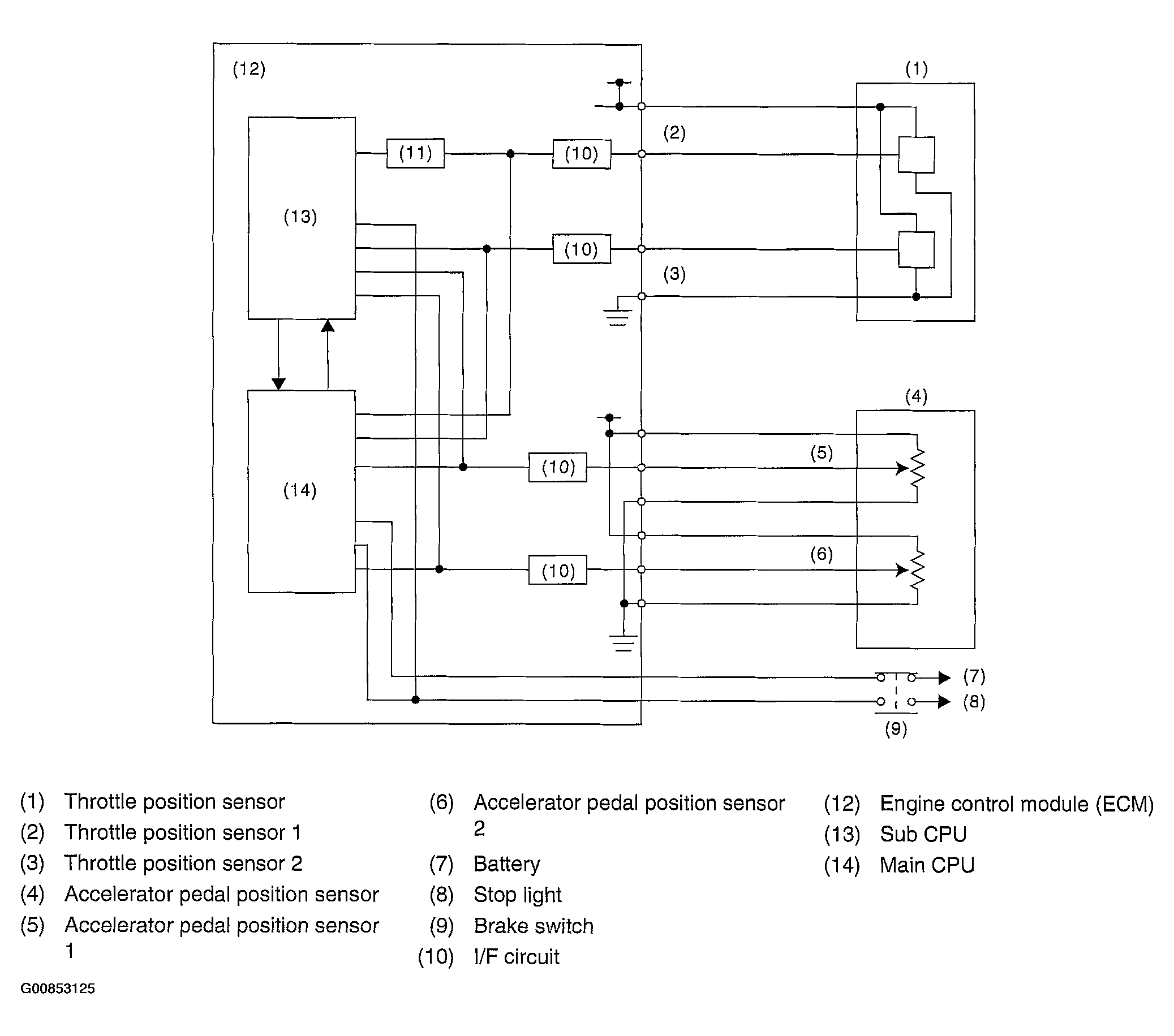
Component Description

Fig 1: Control Module Performance Circuit Diagram
G00853125Courtesy of SUBARU OF AMERICA, INC.