LEMON Manuals: Even more car manuals for everyone: 1960-2025
Home >> Subaru >> 2004 >> Baja Base, Automatic >> Repair and Diagnosis (Single Page) >> Steering >> Power Steering >> Power Assisted System (Power Steering) - Mechanism & Function >> Power Steering System >> Fluid Pump And Reservoir Tank >> 2.5 L Model >> Notes
April 5, 2026: LEMON Manuals is launched! Read the announcement.

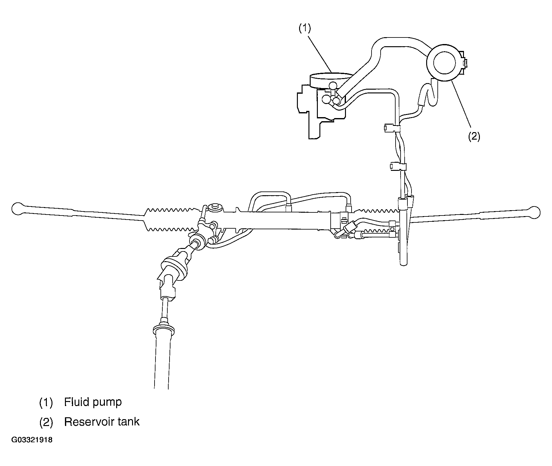
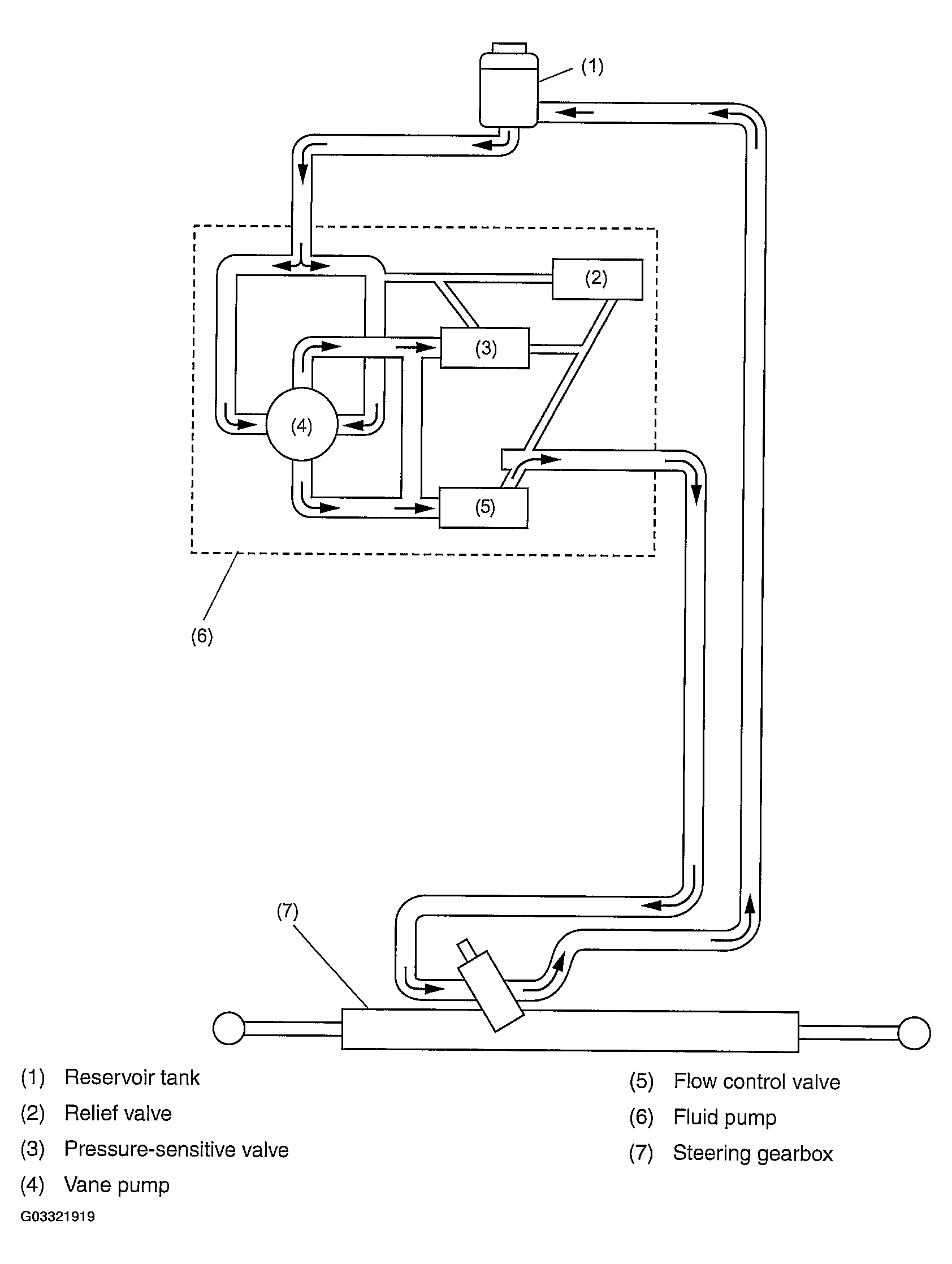
2.5 L Model: Notes

The fluid pump is a vane type driven by the engine via belt.

The reservoir tank is mounted on the vehicle body.

The fluid pump incorporates the flow control valve, pressure-sensitive valve, and relief valve, each performing the following functions: