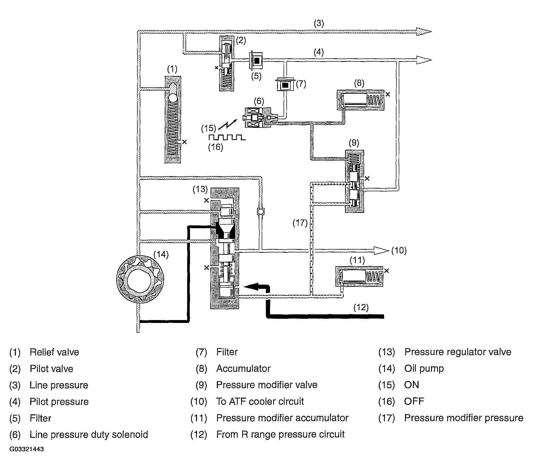
Line Pressure Control
- The oil pump delivery pressure (line pressure) is regulated to a constant pressure by the pilot valve. This pressure is used as the pilot pressure for controlling spool valves.
- The pilot pressure applied to the pressure modifier valve is modulated into pressure modifier pressure at the line pressure duty solenoid by activating the pressure modifier valve.
- The pressure modifier valve is an auxiliary valve for the pressure regulator valve, and it creates a signal pressure (pressure modifier pressure). The pressure modifier pressure is used to regulate the line pressure to a level optimum for a particular driving condition.
- This pressure modifier pressure is applied to the pressure regulator valve which controls the oil pump delivery pressure.
- The pressure modifier pressure from the pressure modifier valve is cushioned by the pressure modifier accumulator to remove pulsation of the pressure.
Courtesy of SUBARU OF AMERICA, INC.