LEMON Manuals: Even more car manuals for everyone: 1960-2025
Home >> Subaru >> 2004 >> Baja Base, Automatic >> Repair and Diagnosis (Single Page) >> Transmission >> Transmission Control Systems >> A/T & M/T Control Systems >> AT Shift Lock System >> Integrated Module Power Supply And Ground Line >> Wiring Diagram:
April 5, 2026: LEMON Manuals is launched! Read the announcement.

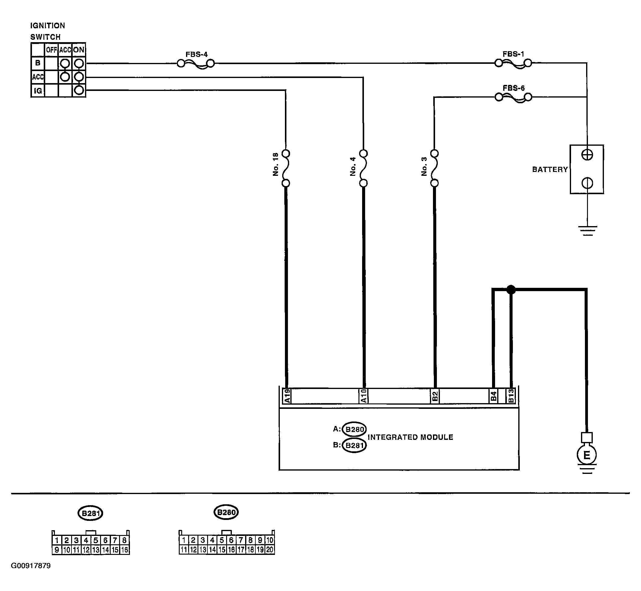
Wiring Diagram:

Fig 1: Integrated Module Power Supply & Ground Line Wiring Diagram
G00917879Courtesy of SUBARU OF AMERICA, INC.
Fig 2: Inspection Chart
G00917880Courtesy of SUBARU OF AMERICA, INC.