LEMON Manuals: Even more car manuals for everyone: 1960-2025
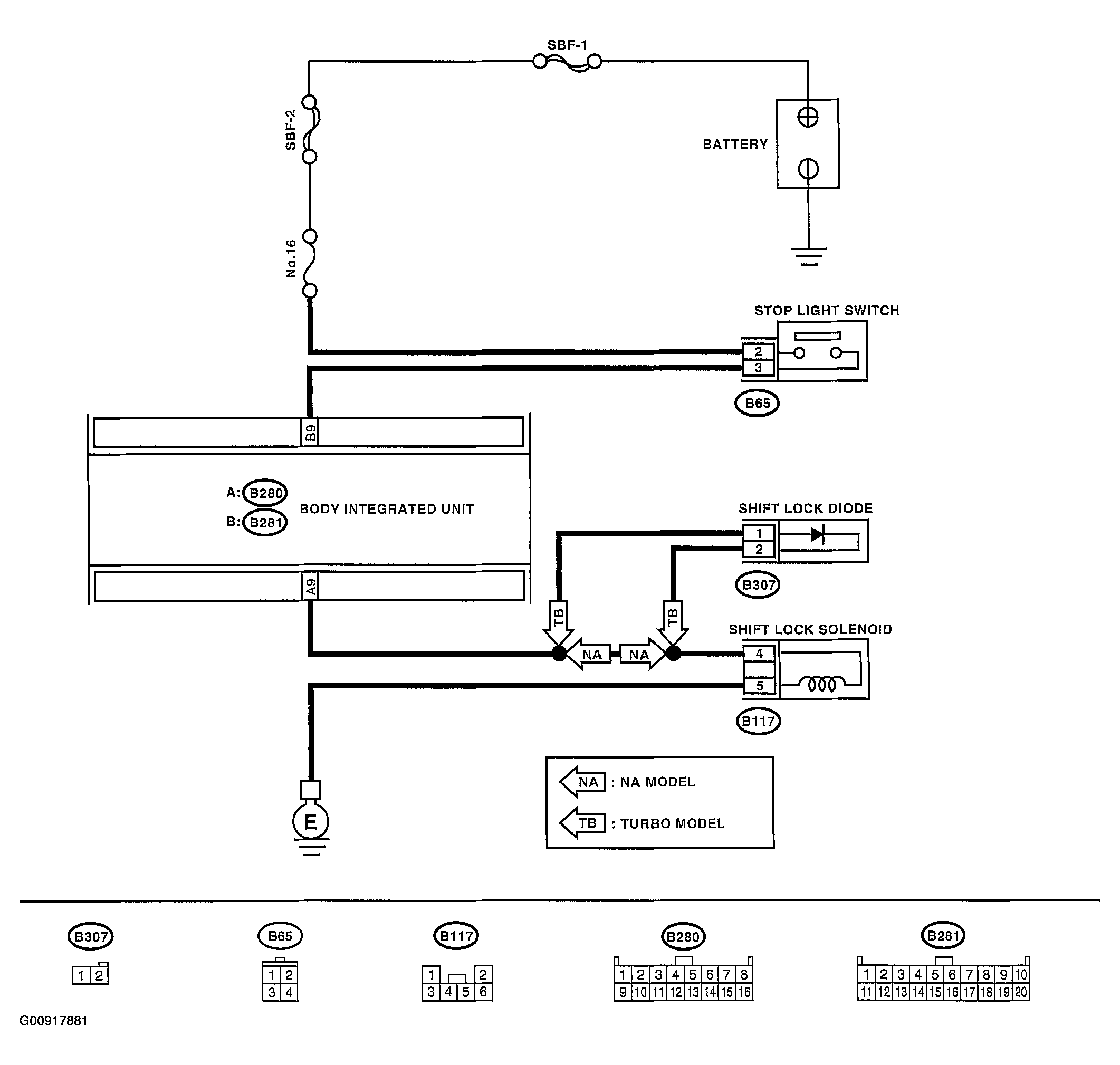
Home >> Subaru >> 2004 >> Baja Base, Automatic >> Repair and Diagnosis (Single Page) >> Transmission >> Transmission Control Systems >> A/T & M/T Control Systems >> AT Shift Lock System >> Select Lever Cannot Be Shift Locked >> Wiring Diagram:
April 5, 2026: LEMON Manuals is launched! Read the announcement.

Wiring Diagram:

Fig 1: Select Lever Cannot Be Shift Locked Wiring Diagram
G00917881Courtesy of SUBARU OF AMERICA, INC.
Fig 2: Inspection Chart
G00917882Courtesy of SUBARU OF AMERICA, INC.