LEMON Manuals: Even more car manuals for everyone: 1960-2025
Home >> Subaru >> 2004 >> Baja Base, Standard >> Repair and Diagnosis (Single Page) >> Engine Performance >> System >> Engine (Diagnostics) (H4SO U5 (PZEV)) >> Diagnostic Procedure with Diagnostic Trouble Code (DTC) >> DTC P1152: O2 Sensor Circuit Range/Performance (Low) (Bank 1 Sensor 1) >> Wiring Diagram
April 5, 2026: LEMON Manuals is launched! Read the announcement.

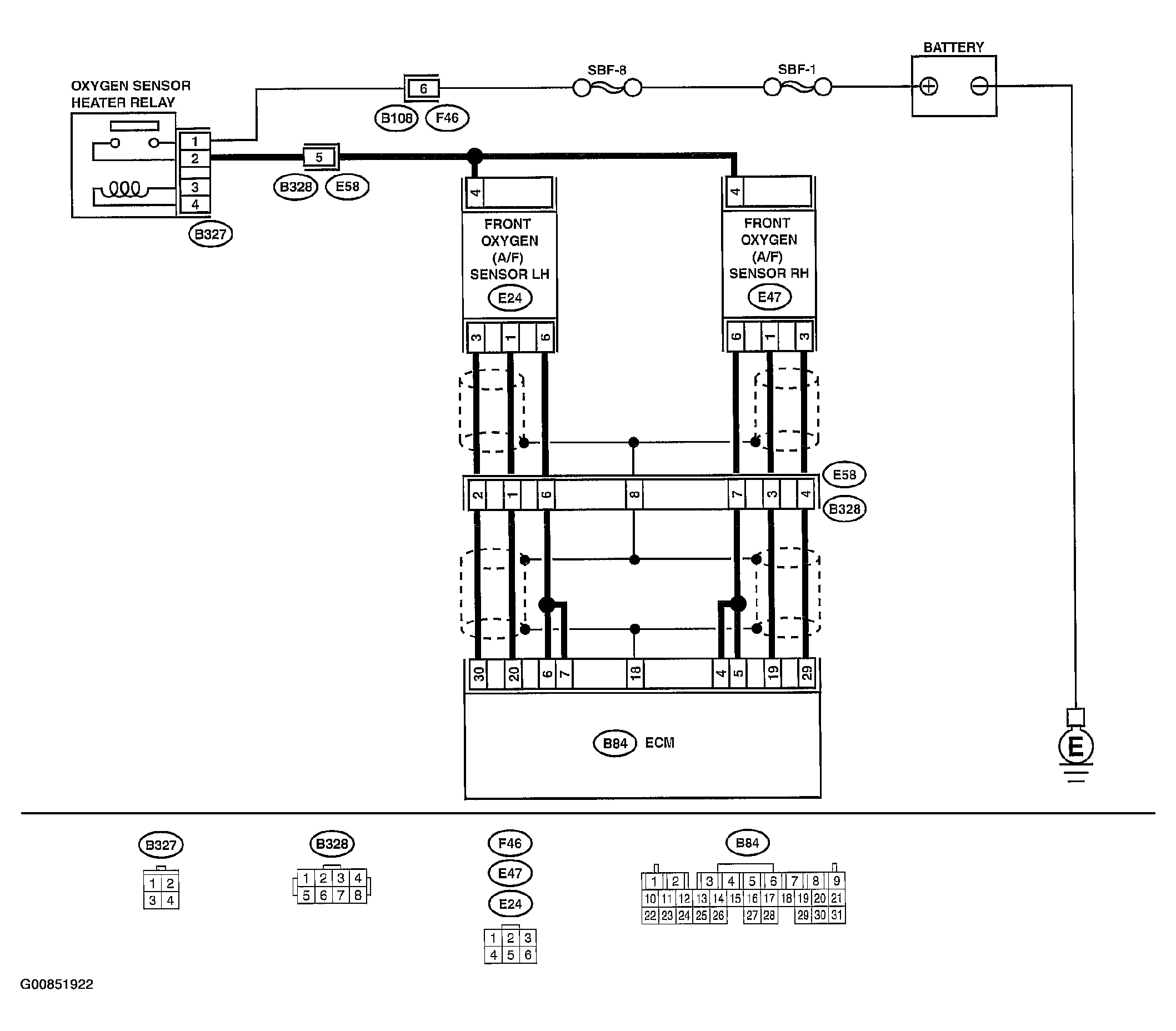
DTC P1152: O2 Sensor Circuit Range/Performance (Low) (Bank 1 Sensor 1): Wiring Diagram

Fig 1: DTC P1152 - O2 Sensor Circuit Range/Performance (Low) (Bank 1 Sensor 1) - Wiring Diagram
G00851922Courtesy of SUBARU OF AMERICA, INC.